桃花源qm花论坛(品茶),凤楼阁论坛官网入口网址,一品楼品凤楼论坛最新动态,风楼阁全国信息2024登录入口

你的位置:首页 > 互连技术 > 正文

实施精确、低功耗、紧凑型温度监测的新方法

发布时间:2023-11-14 责任编辑:lina

【导读】对于可穿戴设备、家用电器、医疗设备和工业设备等几乎所有电子系统的设计人员来说,发热都是一项挑战。不易察觉的热量积聚尤其棘手。为避免出现此类问题,有几种测热方法可供选择,包括温度感应 IC 和正温度系数 (PTC) 热敏电阻。然而,这些方法都有其局限性。每种感测方法都使用多个元器件,而这些元器件需要与主机微控制器单元 (MCU) 的专用连接,占用宝贵的电路板空间,设计耗时,而且精度有限。


对于可穿戴设备、家用电器、医疗设备和工业设备等几乎所有电子系统的设计人员来说,发热都是一项挑战。不易察觉的热量积聚尤其棘手。为避免出现此类问题,有几种测热方法可供选择,包括温度感应 IC 和正温度系数 (PTC) 热敏电阻。然而,这些方法都有其局限性。每种感测方法都使用多个元器件,而这些元器件需要与主机微控制器单元 (MCU) 的专用连接,占用宝贵的电路板空间,设计耗时,而且精度有限。

不过,设计人员现在有了新的选择。人们开发了可与多个 PTC 热敏电阻配合使用的 IC,使单个 IC 只需与主机 MCU 的一个连接,即可执行精确的超温检测。为了提供高度的设计灵活性,这些 IC 可选择输出电流,以支持各种 PTC 热敏电阻。它们有多种 MCU 接口可供选择,并可包括闭锁功能。采用 1.6 x 1.6 x 0.55 mm 的微型 SOT-553 封装,这些器件的电流消耗为 11.3 μA,从而实现了紧凑型低功耗解决方案。

本文介绍了电子系统中的各种热源,并探讨了一些将 PTC 热敏电阻与感测 IC 或分立式晶体管结合使用的温度监测解决方案。文中还将这些解决方案与温度测量 IC 进行了比较。本文还将介绍并解释如何应用来自 Toshiba 的 IC,这些 IC 是实现低功耗、高成本效益热保护的典范。

热源

电子元器件产生的热量会对用户安全和设备/系统运行产生不利影响。中央处理器 (CPU)、图形处理器 (GPU)、专用集成电路 (ASIC)、现场可编程门阵列 (FPGA) 和数字信号处理器 (DSP) 等大型 IC 会产生大量热量。虽然它们需要?;ぃ共皇墙鲇械谋匦爰嗖馐欠窆鹊钠骷?。

电流在流经电阻时会产生热量,而在大型 IC 中,有成千上万甚至数百万个微热源,这些微热源积聚在一起,会给热管理带来巨大挑战。这些 IC 通常需要在电源引脚附近直接进行精确的电压调节。这可能需要多相负载点 (POL) DC-DC 转换器或低压差 (LDO) 线性稳压器。POL 中的功率 MOSFET 和 LDO 中的传输晶体管的导通电阻可能导致器件过热,从而降低电压调节精度,并影响系统性能。

产生热量的不仅仅是 POL 和 LDO。我们需要对一系列系统上的热量进行监测和管理,包括 AC-DC 电源、电机驱动器、不间断电源系统、太阳能逆变器、电动汽车 (EV) 传动系统、射频 (RF) 放大器,以及光探测和测距 (LiDAR) 系统。这些系统可能包括用于大量储能的电解电容器、用于电压转换和隔离的电磁互感器、用于电气隔离的光隔离器以及激光二极管。

电解电容器中的纹波电流、变压器中的涡流、光隔离器中 LED 的电流,以及 LiDAR 中的激光二极管,都是这些器件中的潜在热源。在所有这些情况下,温度监测都有助于提高安全性、性能和可靠性。

传统 PTC 热敏电阻方法

监测温度是热保护的关键第一步。一旦发现超温情况,就可以采取补救措施。PTC 热敏电阻通常用于监测印刷电路板上的温度。PTC 热敏电阻的电阻率会随着温度的升高而增加。PTC 热敏电阻设计针对过流、短路保护和温度监测等特定功能进行了优化。温度监测 PTC 热敏电阻采用温度系数较高的半导体陶瓷制成。在室温下,它们的电阻值相对较低,但当加热到居里温度以上时,电阻值会迅速上升。

PTC 热敏电阻可单独用于监测特定器件(例如 GPU),也可多个串联用于监测更多器件(例如 POL 中的 MOSFET)。使用 PTC 热敏电阻实施温度监测有多种方法。两种常见的方法是使用传感器 IC 或分立式晶体管来监测 PTC 热敏电阻的电阻(图 1)。


实施精确、低功耗、紧凑型温度监测的新方法
图 1:使用 PTC 热敏电阻的两种常见温度监测方案分别采用传感器接口 IC(左)和分立式晶体管解决方案(右)。(图片来源:Toshiba)


在这两种情况下,PTC 热敏电阻链与主机 MCU 之间只有单个连接。选择这些方法时,需要在以下几个方面做出权衡取舍:

· 元器件数:IC 解决方案使用三个元器件,而晶体管方法需要六个器件
· 贴装面积:由于使用的元器件较少,IC 解决方案所需的电路板面积也较小
· 精度:这两种方法都容易受到电源电压变化的影响,但晶体管方法还容易受到温度升高时晶体管特性变化的影响。总体而言,IC 方法可以提供更高的精度
· 成本:晶体管方法使用的器件价格低廉,相比 IC 方法具有成本优势

传感器 IC 和 Thermoflagger

可以使用多个温度感测 IC 代替 PTC 热敏电阻。温度感测 IC 会测量其芯片温度,从而估计印刷电路板的温度。印刷电路板和 IC 之间的热阻越低,温度估计值越准确。只要正确贴装在印刷电路板上,温度感测 IC 就能提供高度精确的测量。使用温度感测 IC 有两个限制因素,第一个是必须在需要测量温度的每个点放置一个 IC,第二个是每个 IC 都需要与主机 MCU 建立专用连接。

Toshiba 的 Thermoflagger 提供了第四种选择。与使用温度测量 IC 相比,使用 Thermoflagger 只需增加一个元器件,即可实现温度测量电路。Thermoflagger 解决方案不需要与主机 MCU 的多个连接,而只需单个 MCU 连接,因而能够使用廉价的 PTC 热敏电阻同时监测多个位置(图 2)。


实施精确、低功耗、紧凑型温度监测的新方法
图 2:温度传感器 IC 监测通常需要在每个潜在热源处使用一个 IC,并为每个传感器 IC 提供 MCU 连接(左);使用 Thermoflagger 和多个 PTC 热敏电阻的解决方案只需单个 MCU 连接(右)。(图片来源:Toshiba)


考虑使用 Thermoflagger 的更多原因包括:

· 与其他解决方案相比,它占用的电路板面积更小
· 它不受电源电压变化的影响
· 它可用于实施简单的冗余温度监测

Thermoflagger 解决方案是什么样的?

Thermoflagger 为连接的 PTC 热敏电阻提供一个小恒定电流,并监测其电阻。它可以监测单个 PTC 热敏电阻或 PTC 热敏电阻链。温度升高时,根据所监测的特定 PTC 热敏电阻,PTC 热敏电阻的电阻会迅速上升,Thermoflagger 会检测到电阻的增加。Thermoflagger 具有不同的恒定电流,例如 1 或 10 μA,以适应各种不同的 PTC 热敏电阻。Thermoflagger 的电流消耗为 11.3 μA,旨在实现低功耗监测。

检测触发温度取决于使用的特定 PTC 热敏电阻,可通过替换不同的 PTC 热敏电阻进行更改。如果发生超温,Thermoflagger 会检测到 PTC 热敏电阻的电阻增大,并触发 PTCGOOD 输出的变化,向 MCU 发出警报(图 3)。


实施精确、低功耗、紧凑型温度监测的新方法
图 3:与正常工作温度下的低电阻(上图)相比,Thermoflagger 感测到加热的 PTC 热敏电阻的电阻上升(下图)。(图片来源:Toshiba)


Thermoflagger 的工作原理

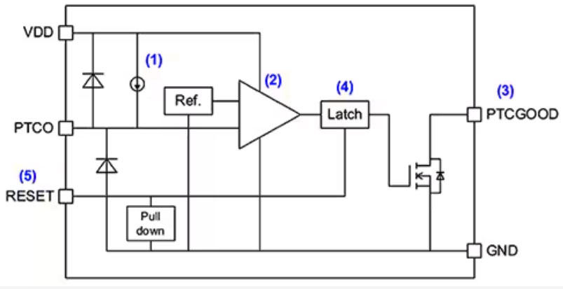
Thermoflagger 是一款精密模拟 IC,其输出经过优化,可与主机 MCU 连接。以下对其工作原理的描述引用了下面图 4 中的数据:

1、恒流由 PTCO 端子提供,并利用一个或多个连接的 PTC 热敏电阻的电阻转换为电压。正是内部恒流源使得 Thermoflagger 解决方案对电源电压变化不敏感,这是它与其他温度监测技术相比的一大重要优势。如果 PTC 热敏电阻发热,电阻大幅增加,PTCO 电压就会增加至电源电压 (VDD)。如果 PTCO 端子断开,PTCO 电压也会升至 VDD。
2、如果 PTCO 电压超过检测电压,比较器的输出将反转,并且发送“低”输出。PTCO 输出精度为 ±8%。
3、Thermoflagger IC 有两种输出格式:开漏和推挽。开漏输出需要一个上拉电阻。推挽输出无需电阻器。
4、比较器输出反转之后,它将被闭锁(假设 Thermoflagger 包括可选的闭锁功能),以防止输出因 PTC 热敏电阻的温度下降而发生变化。
5、向 RESET 引脚施加信号后,锁存器被释放。


实施精确、低功耗、紧凑型温度监测的新方法
图 4:显示 Thermoflagger 主要功能的框图,Thermoflagger 是一种精密模拟 IC,其输出经过优化,可与主机 MCU 连接。(图片来源:Toshiba)


应用注意事项

Thermoflagger 解决方案尤其适用于监测大型 IC (例如片上系统 SoC)的电源电路中的 MOSFET 或 LDO,以及工业和消费系统中的电机驱动电路。其典型应用包括笔记本电脑(图 5)、机器人真空吸尘器、家用电器、打印机、电池供电的手动工具、可穿戴设备以及类似设备。Thermoflagger IC 的例子包括:

· TCTH021BE,提供 10 μA 的 PTCO 输出电流和非闭锁开漏输出
· TCTH022BE,提供 10 μA 的 PTCO 输出电流和闭锁开漏输出
· TCTH021AE,提供 10 μA 的 PTCO 输出电流和闭锁推挽输出


实施精确、低功耗、紧凑型温度监测的新方法
图 5:笔记本电脑中的典型 Thermoflagger 实施。(图片来源:Toshiba)


与所有精密 IC 一样,Thermoflagger 也有特定的系统集成注意事项,包括:

· 施加到 PTCO 引脚上的电压不应超过 1 V
· 应避免 Thermoflagger 受到系统噪声的影响,以确保内部比较器的可靠运行
· Thermoflagger IC 和 PTC 热敏电阻之间应保持足够的间距,以防止热量通过印刷电路板传递到 Thermoflagger IC
· 在 VDD 和 GND 之间放置去耦电容器,有助于确保稳定运行
· 所有 GND 引脚必须连接到系统地线

简单冗余

一些系统可受益于冗余温度监测。如果监测的是成本昂贵的 IC,或者涉及到关键功能,情况更是如此。Thermoflagger 解决方案非常简单,而且体积小巧,因而可以轻松集成更多的温度监测层,从而构建强大可靠的温度监测系统(图 6)。


实施精确、低功耗、紧凑型温度监测的新方法
图 6:Thermoflagger 可为基于温度监测 IC(左)的基本温度监测解决方案增加温度监测层或冗余(右)。(图片来源:Toshiba)


总结

为确??煽康南低承阅?,设计人员必须监测过热现象。他们可以采用多个热监测选项,包括温度感测 IC 和 PTC 热敏电阻。Toshiba 的 Thermoflagger 是一种较新的可选产品,它具备诸多优点,包括使用多个低成本 PTC 热敏电阻、基底面较小、元器件数量较少、与 MCU 只有单个连接、抗电源波动能力强,另外还可实施简单的冗余温度监测。

(作者:Jeff Shepard)

 

免责声明:本文为转载文章,转载此文目的在于传递更多信息,版权归原作者所有。本文所用视频、图片、文字如涉及作品版权问题,请联系小编进行处理。


推荐阅读:

IEPE传感器与电荷输出传感器

『这个知识不太冷』探索5G射频技术(下)

连接器如何推动可持续发展

高压MOS/低压MOS在单相离线式不间断电源上的应用

特别推荐
技术文章更多>>
技术白皮书下载更多>>
热门搜索

关闭

?

关闭