【导读】不可充电电池应用适用于仅偶尔使用电源的应用,即设备在返回深度睡眠模式之前偶尔通电,在该模式下,设备消耗的电量少。使用它作为电源的主要优点是它提供了高能量密度和更简单的设计,因为您不需要容纳电池充电/管理电路,并且成本更低,因为电池更便宜并且需要更少的电子设备。它们非常适合低成本、低功耗应用。然而,由于电池的使用寿命有限,它们不太适合功耗稍高的应用。
不可充电电池应用适用于仅偶尔使用电源的应用,即设备在返回深度睡眠模式之前偶尔通电,在该模式下,设备消耗的电量少。使用它作为电源的主要优点是它提供了高能量密度和更简单的设计,因为您不需要容纳电池充电/管理电路,并且成本更低,因为电池更便宜并且需要更少的电子设备。它们非常适合低成本、低功耗应用。然而,由于电池的使用寿命有限,它们不太适合功耗稍高的应用。
考虑具有许多节点的大型物联网安装。当您有一名技术人员现场更换一台设备的电池时,通?;嵝愿凰械绯兀越谑∪斯こ杀?。当然,这是一种浪费,只会加剧废物问题。重要的是,不可充电电池仅提供制造它们所用电力的约 2%。约 98% 的能源被浪费,使其成为非常不经济的能源。
显然,这些确实在基于物联网的应用中占有一席之地。它们相对较低的初始成本使其成为低功耗应用的理想选择。有许多不同的类型和尺寸可供选择,并且由于它们不需要太多额外的电子设备来充电或管理,因此它们是一个简单的解决方案。
从设计的角度来看,关键的挑战是充分利用这些电源提供的能量。为此,制定电力预算计划以确保限度地延长电池的使用寿命非常重要,其中 10 年是常见的使用寿命目标。
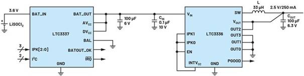
对于电池应用,ADI 毫微功耗系列产品中的两个部件值得考虑:LTC3337 毫微功耗库仑计数器和 LTC3336 毫微功耗降压稳压器,如图 1 所示。
LTC3336 是一款低功耗 DC-DC 转换器,采用高达 15V 的输入电压运行,具有可编程峰值输出电流水平。输入电压可低至 2.5V,非常适合电池供电的应用。
空载调节时静态电流极低,仅为 65 nA。随着 DC-DC 转换器的发展,它很容易在新设计中设置和使用。输出电压根据 OUT0 至 OUT3 引脚的连接方式进行编程。
LTC3336 的配套器件是 LTC3337,这是一款毫微功耗主电池健康状况监视器和库仑计数器。这是另一个易于在新设计中使用的器件 — 只需根据所需的峰值电流(在 5mA 至 100mA 范围内)连接 IPK 引脚即可。根据您选择的电池运行一些计算,然后根据数据表中注明的所选峰值电流填充建议的输出上限。
对于功耗预算有限的物联网应用来说,这是一个的设备组合。这些部件既可以准确监控主电池的能量使用情况,又可以有效地将输出转换为可用的系统电压。
图 1:LTC3337 和 LTC3336 应用电路
让我们继续讨论可充电应用程序。对于无法频繁更换主电池的高功率或高耗电物联网应用来说,这是一个不错的选择。由于电池和充电电路的初始成本,可充电电池应用是一种成本较高的实施方案,但在电池频繁耗尽和充电的高耗电应用中,成本是合理的并且很快就能收回。
根据所使用的化学物质,可充电电池应用的初始能量可能比原电池低,但从长远来看,它是更有效的选择,总体上浪费更少。根据电力需求,另一种选择是电容器或超级电容器存储,但这些更适合短期备份存储。
电池充电涉及多种不同的模式和配置文件,具体取决于所使用的化学物质。例如,锂离子电池充电曲线如图 2 所示。底部是电池电压,纵轴是充电电流。
图 2:充电电流与电池电压
图 3:充电电压/电流与时间的关系
当电池严重放电时,如图2左侧所示,充电器需要足够聪明,将其置于预充电模式,以缓慢地将电池电压增加到安全水平,然后再进入恒流模式。
在恒流模式下,充电器将编程电流推入电池,直到电池电压升至编程浮动电压。
编程电流和电压均由所使用的电池类型定义-充电电流受 C 速率和所需充电时间的限制,浮动电压基于对电池安全的电压。如果系统需要,系统设计人员可以稍微降低浮动电压,以帮助延长电池的使用寿命。
当达到浮动电压时,充电电流降至零,并且根据终止算法将该电压保持一段时间。
图 3 提供了三单元应用程序的不同图表,显示了随时间变化的行为。电池电压显示为红色,充电电流显示为蓝色。它以恒流模式启动,电流达到峰值 2A,直到电池电压达到 12.6V 恒压阈值。充电器在终止计时器定义的时间内保持该电压 — 在本例中为四小时窗口。该时间在许多充电器部件上都是可编程的。
有关电池充电以及一些有趣产品的更多信息,请阅读模拟对话文章“适用于任何化学物质的简单电池充电器 IC ”。
图 4 显示了多功能降压电池充电器 LTC4162 的示例,该充电器可提供高达 3.2A 的充电电流,适用于多种应用,包括便携式仪器和需要更大电池或多节电池的应用。它还可以用于通过太阳能充电。
图 4:LTC4162,一款 3.2A 降压电池充电器
免责声明:本文为转载文章,转载此文目的在于传递更多信息,版权归原作者所有。本文所用视频、图片、文字如涉及作品版权问题,请联系小编进行处理。
推荐阅读:
2023第17届中国国际电池及储能技术博览会(IBEE Global 2023)——东莞站






