【导读】使用传感器测量电路中不同的功率相关参数时,会遇到不同的挑战。主要挑战是保持传感器和电源电路之间的电气隔离,以防止电源电路波动对测量的影响。高效隔离还有助于保持高频开关电路中的测量精度,该电路极易受到这些高频开关通过接地环路产生的噪声的影响。
由于世界各国对可持续发展未来的关注,混合动力汽车和纯电动汽车近出现了快速增长。许多电子元件和功率元件同步协同工作以成功运行电动汽车。电源??槲挥诔盗局芪У牟煌恢茫枰凳辈饬空庑┠?榈母衾氲缪购偷缌饕越辛嗫?。EV 中的一些主要模块包括车载充电器、电池管理系统 (BMS)、HVAC 系统、牵引逆变器和 DC/DC 转换器。必须准确监测电流和电压值以确保正常运行。
本文是 Skyworks 产品线经理 John Wilson 的演讲摘要。Wilson 解释了有效测量和监控 EV 中的电压和电流以确保运行的重要性。他首先为如何在高压电路中进行测量奠定了基础。
测量及其目的
为了监测模块两端的电压和流过它的电流,电流和电压传感器被放置在电路中的适当位置。例如,为测量流过电池组的电流,电流传感器测量串联分流电阻器两端的电压并生成输出信号,该信号与电路中流动的电流大小成正比。同样,为了测量电池组两端的电压,电压传感器会检测该点的电压并生成与电压成比例的输出。然后将这些传感器读数发送到 BMS,然后由 BMS 做出有效操作的决策。车辆中的不同??樾枰醋猿盗局芪Р煌诘愕牟饬?,以进行反馈、控制、安全和充电水平评估。
使用传感器测量电路中不同的功率相关参数时,会遇到不同的挑战。主要挑战是保持传感器和电源电路之间的电气隔离,以防止电源电路波动对测量的影响。高效隔离还有助于保持高频开关电路中的测量精度,该电路极易受到这些高频开关通过接地环路产生的噪声的影响。低响应时间和波动的温度也会影响测量的准确性。隔离还有助于电平转换,即在同一块电路板上独立运行两个逻辑电平。大多数??槎际褂没?CMOS 的电容耦合来跨隔离边界进行信号耦合。
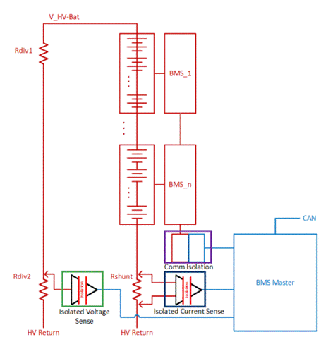
为了更好地理解测量过程,Wilson 展示了一个 BMS 监控锂离子电池组,其中两个电池管理 IC 监控两个电池的电压和电流水平。一个额外的电压和电流监控系统允许整个系统保持安全和冗余。主 BMS 通过分压器电路和电压传感器测量系统电压,如图 1 所示。单个电池测量值也被发送到 BMS 以进行进一步监控。所有传感器和各个 BMS 都是隔离的。

图 1:BMS 中的电压和电流测量
测量错误的后果
确定各种系统参数时的准确性对于 EV 的功能很重要。不准确的测量会导致不便,甚至导致危险和事故。由于电压和电流测量不准确而导致的一些常见问题包括行驶里程和电池充电水平的错误估计、完全充电剩余时间的错误估计、实际车厢温度与所需车厢温度之间的不匹配,以及对电池的过压或欠压DC/DC转换后的模块。虽然保留电荷水平和保护带等一些功能可以帮助解决这些问题,但它们不是性的解决方案,有必要解决问题的根本原因。
可能会发生两种基本类型的错误:静态错误和动态错误。当实际值与测量静态或缓慢变化参数的传感器的测量值之间存在差异时,就会出现静态误差。当传感器测量失真或易受噪声影响的参数时,会出现动态误差。静态误差包括增益误差、失调误差和非线性。为了有效地测量静态误差的不同组成部分,需要将它们转换为标准单位,在 EV 的 BMS 中,标准单位是电池电量的满刻度百分比。对这些误差求平方根和,以统计上准确的方式表示数据。
其他需要测量的主要系统是车载充电系统、DC/DC 转换器、牵引逆变器和 HVAC 系统。对于这些系统中的每一个,功率参数都是在功率转换的不同阶段测量的,以保持冗余和准确性。
免责声明:本文为转载文章,转载此文目的在于传递更多信息,版权归原作者所有。本文所用视频、图片、文字如涉及作品版权问题,请联系小编进行处理。
推荐阅读:




