桃花源qm花论坛(品茶),凤楼阁论坛官网入口网址,一品楼品凤楼论坛最新动态,风楼阁全国信息2024登录入口

你的位置:首页 > 互连技术 > 正文

使用TDS瞬态分流抑制器,实现可靠ESD和EOS保护,完整攻略在此!

发布时间:2022-12-23 来源:得捷电子DigiKey,作者:Jeff Shepard 责任编辑:lina

【导读】随着工业4.0、工业物联网 (IIoT) 和5G电话技术的普及,使得越来越多的更多复杂的电子设备部署在了更恶劣、更难进入的环境中。这有助于在工业机器人、IO-Link接口、工业传感器和IIoT设备、可编程逻辑控制器 (PLC) 和以太网供电 (PoE) 等应用中进行可重复的、确定性静电放电 (ESD) 和电气过应力 (EOS) 事件?;ぁU庑┯τ眯枰鉏EC61000标准的瞬态?;ひ蟆K淙凰蔡缪挂种?nbsp;(TVS) 二极管能很好地满足设计人员的要求,但越来越多的应用需要更确定、更线性、更紧凑和更可靠的ESD和EOS?;ぁ?/span>


随着工业4.0、工业物联网 (IIoT) 和5G电话技术的普及,使得越来越多的更多复杂的电子设备部署在了更恶劣、更难进入的环境中。这有助于在工业机器人、IO-Link接口、工业传感器和IIoT设备、可编程逻辑控制器 (PLC) 和以太网供电 (PoE) 等应用中进行可重复的、确定性静电放电 (ESD) 和电气过应力 (EOS) 事件?;ぁU庑┯τ眯枰鉏EC61000标准的瞬态?;ひ?。虽然瞬态电压抑制 (TVS) 二极管能很好地满足设计人员的要求,但越来越多的应用需要更确定、更线性、更紧凑和更可靠的ESD和EOS保护。


为了满足这些不断提高的性能和外形尺寸要求,可以采用瞬态分流抑制器 (TDS) 器件。这种器件同时具有卓越的箝位、线性和温度稳定性,可获得更有保证的性能水平。TDS器件不像TVS二极管那样耗散浪涌能量,而是将这种能量转移到地。与TVS替代品相比,TDS不会耗散能量,因此其尺寸可以更小,这有助于缩小解决方案尺寸。此外,TDS器件的钳位电压会比TVS二极管低30%,因此减少了系统的电气应力,提高了可靠性。


本文将介绍TDS器件如何工作及其给关键应用带来的好处。然后,以Semtech的TDS器件为例进行介绍并给出成功应用这些器件的PCB布局指南。


TDS浪涌?;て魅绾喂ぷ?/p>

浪涌级场效应晶体管 (FET) 是TDS器件中的主要保护元件。当发生EOS事件且瞬态电压超过集成精密触发器电路的击穿电压 (VBR) 时,驱动电路被激活,场效应管导通,将瞬态能量 (IPP) 传导至地(图1) 。


使用TDS瞬态分流抑制器,实现可靠ESD和EOS?;ぃ暾ヂ栽诖?!

图1:在TDS器件中,当检测到EOS事件时,精密触发器电路(左)会激活FET压控开关(右),将能量尖峰 (IPP) 直接转移至地(图片来源:Semtech) 

随着脉冲电流增大至IPP,FET的导通电阻 (RDS(ON)) 变成几个毫欧 (mΩ) ,钳位电压 (VC) 与触发电路的VBR几乎相同。因此,TDS器件的VC在IPP范围内几乎是恒定的。这与TVS装置中的箝位作用不同,后者已知:


使用TDS瞬态分流抑制器,实现可靠ESD和EOS?;?,完整攻略在此!


其中Rdyn是动态电阻。


在TVS设备中,Rdyn 值固定,使得箝位电压在额定电流范围内随着IPP的增加而线性增加。对于TDS器件来说,VC 在工作温度以及IPP范围内都是稳定的,从而实现了决定性的EOS保护(图2) 。


使用TDS瞬态分流抑制器,实现可靠ESD和EOS?;ぃ暾ヂ栽诖?!

图2:对于如TDS2211P(实线部分)之类TDS器件,钳位电压在温度和Ipp的范围内保持恒定,从而提供确定的EOS?;?。(图片来源:Semtech)

TDS器件的VC相对较低,因此被?;て骷唤鍪艿降牡缙ασ步系停姨岣吡丝煽啃裕ㄍ?) 。


使用TDS瞬态分流抑制器,实现可靠ESD和EOS?;ぃ暾ヂ栽诖?!

图3:TDS器件的低VC(此处用VClamp 表示,绿色曲线)通过减小受?;て骷艿牡缙α刺岣呖煽啃浴#ㄍ计丛矗篠emtech)


TDS器件的性能支持满足多个标准要求的系统设计:IEC 61000-4-2标准的ESD抗扰度要求、IEC 61000-4-4标准的猝发/电气快速瞬变 (EFT) 抗扰度要求,以及IEC 61000-4-5标准的浪涌抗扰度要求。这使得TDS器件适合许多恶劣环境下的应用。下文将介绍TDS的应用实例,包括用于?;じ涸乜氐?2V TDS器件、适合?;O-Link收发器的33V TDS器件,以及可用于?;oE装置的58 V TDS器件。


?;じ涸乜?/p>


使用22 V TDS2211P可以?;すひ瞪璞?、机器人、远程仪表、USB电力传输 (PD) 和IIoT设备中的负载开关、电子保险丝输入免受EOS事件的影响。该TDS器件的EOS?;さ燃栋ǎ?/section>


  • 接触和空气的ESD耐受电压等级为±30kV,符合IEC61000-4-2标准要求
  • 峰值脉冲的额定电流为40A (tp = 8/20μs),符合IEC 61000-4-5标准要求;±1kV(tp = 1.2/50μs、分流电阻 (RS) = 42Ω),符合IEC 61000-4-5标准要求,适用于非对称线路
  • EFT耐受电压为±4 kV(100kHz和5kHz、5/50ns),符合IEC 61000-4-4标准


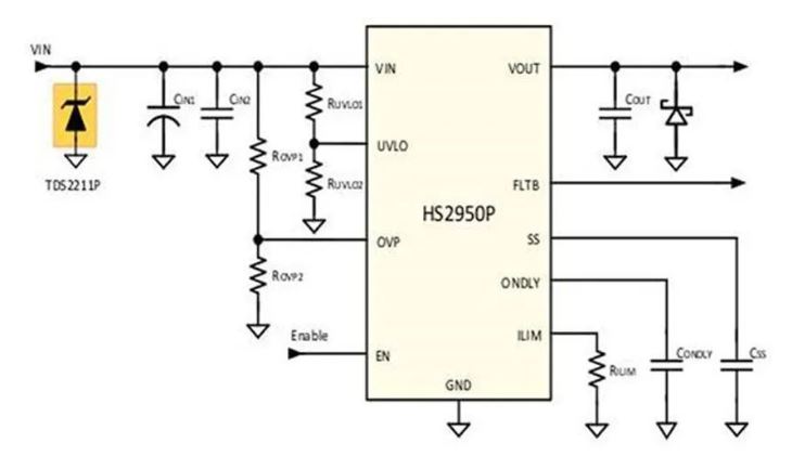
当采用这种配置时,TDS2211P可以保护下游器件免受雷击、ESD和其他EOS事件的影响,该器件还可保持VC低于负载开关中开关FET的损坏阈值(图4) 。

使用TDS瞬态分流抑制器,实现可靠ESD和EOS?;?,完整攻略在此!

图4:TDS2211P可用于?;じ涸乜?(HS2950P) 和下游器件免受雷电、ESD和其他EOS事件的影响。(图片来源:Semtech)


I0-Link保护


除了在工业环境中发生的常见ESD和EOS危险外,将I0-Link收发器插入I0-Link主设备或从这些设备上拔出时,可能会遇到数千伏的电压尖峰。通常用于保护I0-Link收发器的TVS二极管可以用TDS器件来补充,以提升保护性能。在典型的电路?;びτ弥校闷骷亩疃ㄖ抵辽傥淙氲缭吹?15%,因此对于I0-Link之类的24V应用,选用像TDS3311P TDS这样的33V?;て骷呛鲜实?。TDS3311P的主要规格如下:


  • 接触和空气的ESD耐受电压为±30kV,符合IEC61000-4-2标准的要求

  • 峰值脉冲电流能力为35A (tp = 8/20 μs) ,以及1kV (tp = 1.2/50μs、RS = 42Ω) ,符合IEC61000-4-5标准的非对称线路要求

  • 符合IEC61000-4-4标准的猝发/EFT抗扰度要求


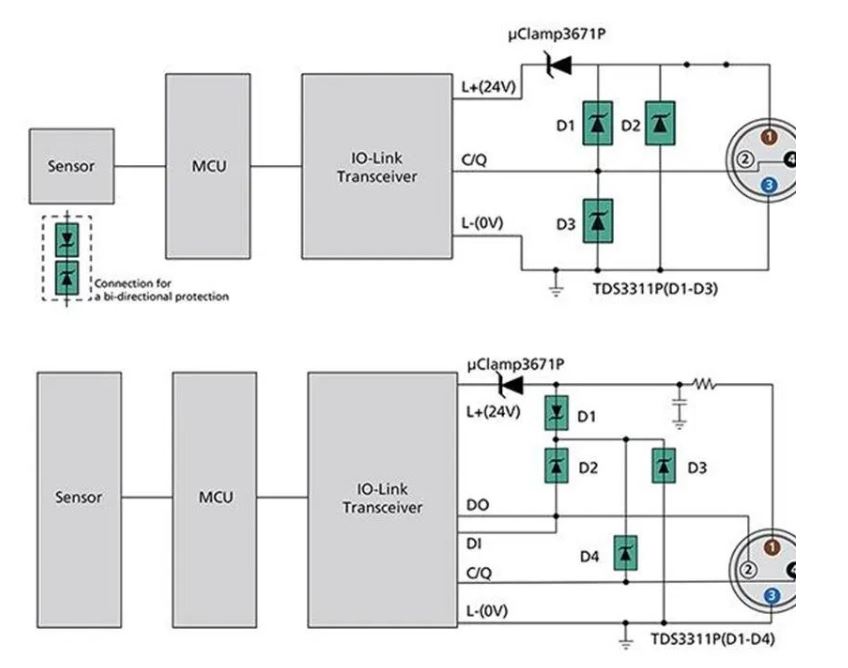
有两种常见的I0-Link端口配置,即3引脚和4引脚。这两种配置需要稍有不同的?;し桨?。在这两种情况下,TDS器件可以在VBUS (L+ (24V)) 线路上补充一个 μClamp3671P TVS二极管,以提供反极性?;ぃㄍ?)。

使用TDS瞬态分流抑制器,实现可靠ESD和EOS保护,完整攻略在此!


图5:使用TDS器件(绿色矩形)针对3引脚I0-Link端口(顶部)和4引脚I0-Link端口(底部)的ESD保护的比较。(图片来源:Semtech)

在3引脚情况下,需要3个TDS器件。如需要,可以通过两个面对面的TDS3311P来提供双向保护。在4引脚情况下,I0-Link端口的所有四个针脚应均能承受正负浪涌。连接器的每对引脚间都需要进行测试,以确保I0-Link收发器的浪涌保护性能,并应按照IEC 61000-4-2 ESD、IEC 61000-4-4猝发/EFT和IEC 61000-4-5浪涌的要求水平进行测试。


PoE?;?/p>


PoE?;し桨副匦肟悸荅OS事件可能是共模(相对于地)或差分(线对线)的情况。PoE的供电电压为48V,因此像TDS5801P这样的58V TDS器件可用于在RJ-45连接器一侧提供EOS?;?。TDS5801P的规格如下:


  • ESD耐受电压:±15kV(接触)和±20kV(空气) ,符合IEC61000-4-2标准的要求
  • 峰值脉冲电流能力:20A (tp = 8/20 μs) ,1kV (tp = 1.2/50μs、RS = 42 Ω) ,符合IEC61000-4-5标准的的要求
  • 根据IEC61000-4-4的要求,EFT耐受电压为±4kV(100kHz和5kHz、5/50ns)


PoE系统中的电源是通过变压器的中心抽头连接来提供的。PD (RJ-45) 端必须同时保护模式A(通过数据对1和2、数据对3和6提供电源)和模式B(通过引脚4和引脚5以及引脚7和引脚8提供电源) ,因此需要两对TDS5801P来实现跨中心抽头连接的双向?;ぃㄍ?) 。


使用TDS瞬态分流抑制器,实现可靠ESD和EOS?;ぃ暾ヂ栽诖?!

图6:背对背TDS器件(绿色,TDS5801P)在PoE系统中提供双向?;?,防止EOS事件。(图片来源:Semtech)

变压器提供了共模隔离,但不能提供差分浪涌?;?。在差动EOS事件中,线路侧的变压器绕组被充电,能量转移到二次侧,直到浪涌结束或变压器饱和。PD侧的TDS器件可以用位于变压器的以太网物理层 (PHY) 侧的四个RClamp3361P ESD?;て骷胁钩?,防止差分EOS事件。


TDS器件


SurgeSwitch TDS器件为设计人员提供了多种工作电压选择,包括22 V (TDS2211P) 、30V (TDS3011P) 、33V (TDS3311P) 、40V (TDS4001P) 、45V (TDS4501P) 和58V (TDS5801P) (表1) 。这些器件满足 IEC61000 标准的要求,可用于那些在恶劣的5G电话和工业环境中运行的系统。


使用TDS瞬态分流抑制器,实现可靠ESD和EOS?;ぃ暾ヂ栽诖?!

表1:SurgeSwitch器件的额定电压为22V至58V,可满足许多应用要求。(图片来源:Semtech)

由于TDS器件是非耗散性器件,而是通过低阻抗路径将浪涌能量直接转移到地面,因此可以采用1.6 x 1.6 x 0.55mm的小型封装中,相比其他浪涌保护器件通常采用的SMA和SMB封装,可以显著节省电路板空间。具有6个引脚的DFN封装包括3个输入引脚和3个用于将浪涌能量转移到地的引脚(图7) 。


使用TDS瞬态分流抑制器,实现可靠ESD和EOS保护,完整攻略在此!

图7:TDS器件采用1.6 x 1.6 x 0.55mm的DFN封装,有6根引线(右);1、2、3号引脚接地,而4、5、6号引脚用作EOS/ESD?;な淙搿#ㄍ计丛矗篠emtech)


电路板布局指南


当在电路板上安装SurgeSwitch TDS器件时,其所有接地引脚(1、2和3)都必须连接到同一印制线上,所有的输入引脚(4、5和6)也必须连接到同一印制线,以获得最大的浪涌电流能力。如果接地线位于电路板的不同层,强烈建议使用多个通孔与地平面连接(图8) 。按照这些PC板布局指南,可以最大限度地减少寄生电感并优化器件性能。此外,SurgeSwitch TDS器件应尽可能地靠近受?;さ牧悠骰蚱骷?。这会把瞬时能量与印制线的耦合降至最低,这在快速上升时间EOS事件中尤其重要。由于TDS器件不会耗散任何能量,因此不需要在器件下方设置导热垫来传导热能。


使用TDS瞬态分流抑制器,实现可靠ESD和EOS?;?,完整攻略在此!

图8:当接地平面位于电路板的不同层时,为获得最佳性能,建议采用多个通孔进行连接。(图片来源:Semtech)


本文小结

对于设计在恶劣环境下工作的工业和5G电话设备的设计人员来说,可以采用TDS器件,以提供可靠、确定的ESD和EOS事件?;?。TDS器件的VC相对较低,通过减少元器件的电气应力来提高系统可靠性。这些器件符合IEC61000标准的瞬态?;ひ螅⒂?2V至58V电压范围,可满足特定应用的要求。TDS器件体积小巧,有助于减少整体解决方案的尺寸,但设计人员需要遵循一些简单的PC板布局要求,以发挥TDS器件的最大性能。


(来源:得捷电子DigiKey,作者:Jeff Shepard)


免责声明:本文为转载文章,转载此文目的在于传递更多信息,版权归原作者所有。本文所用视频、图片、文字如涉及作品版权问题,请联系小编进行处理。


推荐阅读:

物联网原型开发,如何能够“快”起来?

二极管直流稳压、温度补偿、控制电路及故障处理

用于通信的高压升压和反相转换器

氮化镓栅极驱动专利:RC负偏压关断技术之松下篇




特别推荐
技术文章更多>>
技术白皮书下载更多>>
热门搜索

关闭

?

关闭