【导读】直流母线电容常用于电源转换器。我们知道,电源转换器的输入源和输出负载具有不同的瞬时功率、电压和频率,直流母线电容从中起到一个缓冲作用。
楼氏电容
直流母线电容常用于电源转换器。我们知道,电源转换器的输入源和输出负载具有不同的瞬时功率、电压和频率,直流母线电容从中起到一个缓冲作用。
在电动汽车(EV)应用中,直流母线电容有助于抵消逆变器、电机控制器和电池系统中电感的影响。它们还充当过滤器,?;さ缍底酉低趁馐艿缪辜夥?、浪涌和电磁干扰(EMI)的影响。
图1. 电力转换系统中直流母线电容的常见用途
(来源:Center of Reliable Power Electronics:https://vbn.aau.dk/ws/portalfiles/portal/152271344/reliability_of_capacitors_for_dc_link_applications_an_overview.pdf)
我们再来看下车载充电器(OBC),它负责为牵引电池充电,工作原理可简单划分为三个阶段,如图2所示:
?一阶段:AC/DC转换器通过整流和功率因素校正(PFC)将电网的交流电(AC)转换为直流电(DC)
?二阶段:中间直流电路进行能量缓冲
?三阶段:DC/DC转换器对直流电压作调整,以提供电池适用的直流电平
图2. OBC的交流/直流转换简化原理图
如图所示,直流母线电容Cbulk 被置于整流器和DC/DC转换器之间。该电容器的理想特性包括:
? 高直流耐压:300V至500V
? 极大的容值:200μF至1500μF
? 工作温度范围:-40°C至+150°C
? 低等效串联电阻(ESR):< 1.5mΩ
? 高均方根(RMS)电流容量
? 高机械强度
为了获取高容值,我们需要用到多个电容器或一个电容器阵列。针对此类应用,楼氏电容(KPD)推荐我们的StackiCap?系列高压高容X7R电容器,规格范围1812-3640,250V-2kV,27nF-5.6μF。直流母线电容器还必须能够处理两倍的电路频率,因此,常见的电路设计包括多层陶瓷电容器(MLCC)以及与之并联的其他类型的电容器。
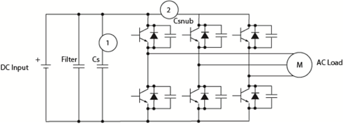
此外,电动汽车(EV)的电机驱动电路中的逆变器也会用到直流母线电容(如图3所示)。逆变器将电池的直流电转换为三相交流电,在加速时驱动牵引电机,然后在制动时再将交流电转换回直流电。它还能够检测电机的速度和位置,并驱动绝缘栅双极晶体管(IGBT)功率级。
图3. 电机驱动电路中逆变器的简化原理图
在这个子系统中,直流母线电容器或平滑电容器Cs被并联在电压转换器的直流(电池)和交流(负载)侧之间。电容器的规格与之前的OBC例子大致相同,因此我们推荐使用同样具有高均方根(RMS)电流容量的StackiCap?系列 X7R电容器。为了满足应用的高容值需求,小尺寸的MLCC可与薄膜电容及铝电解电容一起使用,以便更接近IGBT开关器件的集成,并改善高频衰减问题。
鉴于电动汽车应用中需要大量的转换器和逆变器,因此选择合适的高压、高容值的直流母线电容对整个系统的正常运行非常重要。欲了解更多信息,请点击下方阅读原文,获取我们的白皮书《为电动汽车选择适用的车载级多层陶瓷电容器的参考因素》。
(来源:Knowles楼氏电容公众号,作者:楼氏电容)
免责声明:本文为转载文章,转载此文目的在于传递更多信息,版权归原作者所有。本文所用视频、图片、文字如涉及作品版权问题,请联系小编进行处理。
推荐阅读:
安森美和Ride Vision合作,为摩托车骑行者提供先进的安全方案



