【导读】随着国防领域信息和监控需求的不断增长,无线技术的普及性及其需求达到了前所未有的高度。在整个航空航天和国防工业,无线系统已部署于广泛的应用之中,为单兵系统、无人系统控制、系统级健康、生命体征监控等众多应用提供支撑。
国防界曾广泛讨论过增加通向战士的数据流量的必要性问题。然而,无线通信已开始从根本上改变新一代系统的发展动向。增加数据流量、加强监控、无线革命和物联网(IoT)(对于商业和工业领域二者实为同义词),所有这些都将会对航空航天和国防市场产生同样深远的影响。
过去10年,随着新波形、宽带宽信号的出现,军事通信系统多次升级,为增加通向战士的数据流量创造了条件。目前,采用AD9361一类收发器的战术电台已能充分发挥软件定义无线电(SDR)架构的优势,根据需要实时适应战区内的不同通信标准和协议。
带宽更宽的数据链路不但可以实现向战士传输数据,还可实现从战士接收数据。这类数据可能包括实时视频影像和资产跟踪信息,将来还可能包括健康监控等功能以及惯性导航信息等。图1所示为现代及新一代战士可能使用的多种系统。

图1. 士兵系统
随着传感器集成度的提高,随着尺寸、重量和功耗(SWaP)的下降,将会有更多的传感器集成到单兵系统中,以实现这些功能及类似功能。
传感器的数量以及所产生的数据量都将要求使用无线互联技术,要求先用短程数据链把数据聚合起来,然后再由战术电台把数据传送回指挥中心,以便指挥机构对战士进行监控并为其提供更好的支持。无人驾驶飞行器,尤其是无人机(UAV)的运用进一步推高了对无线数据的需求,同时也对频谱的利用起着推动作用。在国防领域,目前有大量的各类飞行器在役,从Northrop Grumman公司全球鹰等大型平台到Aerovironment公司大乌鸦无人机等小型平台系统,应有尽有。对于这些飞行器和波形来说,无线网络和卫星通信链显然是一个主要要求。业内专门为这些系统制定了标准,包括小型无人机系统数字数据链(SUAS DDL)波形。借助这样的波形,不但可以实现对小型无人机的控制,更重要的是,还能将机载传感器网络发来的数据和视频信息传到控制器。利用该网络可以更加灵活、更加有效地收集现场情报。然而,这些平台功率有限,并且在可用带宽有限且要求多个系统在同一频段工作的情况下,它们推高了对通信链中所用收发器的需求。
尽管国防工业在无人机系统领域处于领先地位,但大量报道显示,许多商业系统和运营商计划将来采用无人机技术,据报道,亚马逊、谷歌等公司正在开发这些系统。诸如此类的商业活动同样要求无线和安全数据链。随着这一市场领域的发展,分配频谱需求将继续水涨船高,进一步推高对高级通信收发器的需求。
进一步深入航空航天领域,在如今商用飞机上,无线宽带通信系统大行其道,如此一来,乘客就可在飞行途中通过WiFi访问互联网。目前,对这些服务的需求及其延伸必将延续下去,大量利用卫星通信以在全球实现宽带连接。除这些发展动向以外,航空航天市场已开始主动寻求将无线技术引入一系列其他应用领域。业内已开始主动评估无线传感器的应用价值,以期提高安全性和燃油效率。通过降低飞机重量,可以提高燃油效率。为此,对传感器技术以及传感器之间的互联选择也在进行严格审核。在现代高级军用和商用飞机中,所用线缆可能多达100000条,长度可能超过470米,重量可能高达5700公斤,这还不包括结构固定点的基础设施和导线,这些可能再增加30%。虽然用无线传感器取代所有这些的可能性不大,但由企业、学术界和政府机构成立的合作组织航空航天飞行器系统研究所(AVSI)已着手对这种可能性展开研究。AVSI成立了一个工作组,专门研究无线航天电子内部通信(WAIC)技术,其目标是在不使用电缆和线束的情况下,把多种多样的飞机传感器相互连接起来。
尽管在这种应用中,无线传感器无疑会减轻重量,传感器网络还能带来其他好处,包括可再配置能力,可能还有利于提高安全性,但更重要的是,无线传感器还能快速添加和升级传感器,无需增加布线和基础设施。对飞机上更多功能进行监控和调整的能力有可能大幅提高效率,因为可以实时调整发动机、热管理系统等组件。此外,添加设备健康监控和额外的安全监控功能以后,可以更加密切地监控维修和保养需求,从而及早发现问题,并更加有效地安排维修工作。WAIC工作组列出了可能从该技术受益的多种系统:

在上述多个例子中,为飞机系统监控功能添加无线通信链是难上加难。为了切实有效,许多系统需要用电池供电,并且需要超长时间工作,甚至可能长达数年不更换。要在功率有限的环境中达到所需传感器量,就要采用传统电池以外的能源。用能源采集技术作为替代电源,有利于提高传感器的灵活性,有利于改善SWaP。
从单兵系统到航空航天应用,上述所有例子都展现出对无线通信和传感器与日俱增的依赖,一些需要解决的新问题也随之而来。ADI公司正在努力为这些种类繁多的问题提供一个综合性解决方案。改进型无线通信收发器是该解决方案的关键。除此以外,我们还在能源采集和传感器领域展开了研究,同时致力于提高全部三种设备之间的互操作性。
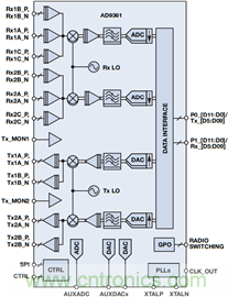
为了支持通信数据链,诸如AD9361一类的高度可配置收发器以及ADF7023 和ADF7024 等ISM频段器件可为无线连接领域提供解决方案。AD9361和AD9364 均为高度可配置射频到比特收发器,支持的通信链范围为200 kHz至56 MHz,射频频率范围为70 MHz至6 GHz。它们采用直接变频架构,搭载有低噪声放大器、混频级、高速转换器和数字信号处理算法(包括高级正交误差校正算法),封装尺寸为10mm2,为宽带通信链提供了一个真正的射频到比特解决方案。该器件已经广泛应用在军事通信领域,因为它们能支持动态再配置。类似地,因具备强大的软件配置能力,还可针对许多其他通信数据链需求(与无人机部分所述要求相似)提供单一的解决方案。高度的可配置能力可实现真正意义上的软件定义无线电(SDR),为将开发的一款硬件应用于多个系统创造了条件,尤其值得一指的是,其典型功耗不到1 W。

图2. AD9361—宽带收发器

图3. ADF7023—ISM频段收发器
ADF7023、ADF7024和ADF7242均为超低功耗集成式收发器,专门针对免许可的ISM频段(433 MHz、868 MHz、915 MHz和2.4 GHz)而设计,具有特别的波形调制功能,频移键控(FSK)或高斯频移键控(GFSK),并具有较低的数据速率,ADF7024最高为300 kbps,ADF7242为2 Mbps。尽管这些器件不如AD9361灵活,但也集成了类似的功能,使器件能支持射频到比特收发器。例如,ADF7024即可满足这一要求,封装尺寸仅为5 mm2,接收模式下功耗低至12.8 mA;在功率水平和长寿命至关重要的应用中,可以用来收发传感器数据。
进一步增强传感器技术与无线通信节点之间的融合,其必要性显而易见,推动半导体工业走向两大要素的整合,促使半导体工业提升密切整合这两个要素的能力。要完全解决传感器和物联网难题,可以采用综合性方法,配合使用多种器件,借助不断增强的传统型精密放大器和转换器实现温度、电流和电压检测。进一步说,采用MEM型陀螺仪和加速度计的众多导航系统和健康监护系统具备监控单兵运动并进行跟踪的潜力,也可用来监控系统振动,并在检测到意外运动时确定系统健康状况。
例如,ADIS16488A iSensor® 就是一款完整的全集成式高性能惯性系统,其中包括一个三轴陀螺仪、一个三轴加速度计和一个三轴磁力计,可以当作组件用在人员跟踪系统或振动监控系统中。该系统以MEM技术为依托,提供了一款经济型的运动跟踪解决方案,可以置入或集成到设备之中,并通过无线通信系统接入单兵电台,然后将数据传回指挥中心,由此打造出一种全面的单兵跟踪解决方案,尤其是在无GPS信号的环境中,有助于增加搜索和救援行动的便利性。

图4. 可能的无线传感器互联系统
类似地,用于振动监控应用时,ADIi和MEM器件可实现机器健康分析功能,尽早发现可能出现的设备故障问题。由于对安装位置要求较严,此类传感器往往难以安放,但是,如果把低功耗电池供电型射频收发器与传感器结合起来,即可轻松解决器件安放的问题。在这种方案下,数据被传输到中央监控装置,也可能通过蜂窝或卫星通信网络传回远程监控站。
以上只是冰山一角,还可考虑采用基于多种技术的许多其他选项和检测系统,但所有这些系统都依靠安全射频通信来转发数据。从整个航空航天领域和国防领域来看,无线网络快速普及,数据监控和分发需求快步增长,如果无人系统的利用率达到预期,这一趋势有望加速推进。采用无线技术的主要优势是,可以同时提高效率、可再配置能力以及平台的整体安全性。这些特点推动着ADI公司多种产品线朝着目标方向发展,为实现新一代系统目标提供了坚实保障。由于能够运用安全性更高并且支持定制波形的商用技术,因此,物联网必然会在现代和未来航空航天系统及国防系统中发挥关键作用。
本文转载自亚德诺半导体。
推荐阅读:


