中心议题:
- 基于PCB设计的电容传感器
- 测量电容传感器并且检测传感器接触面积
因为采用了传统机械开关,用户使用电容传感器接口的方式直接与各种工作条件下(可靠性)接触传感器的响应度(灵敏度)相关。本文将介绍一些通用电容传感器模拟前端测量方法。
灵敏度
电容传感器的灵敏度是由其物理结构、测量电容的方法和精确比较电容相对于接触门限电平变化的能力而决定的。采用传统印制电路板(PCB)方法制造的 电容传感器的测量范围通常为1~20pF,因而很难准确地检测微小变化。虽然有几种测量这些电容微小值的方法,但采用16位电容/数字转换器(CDC)的 高精密测量方法仍然具有明显的优势。
基于PCB设计的电容传感器
制作在标准印制电路板或挠性印制电路上的电容传感器都使用了相同的铜材料来做信号线。在这两种情况下,传感器的最大灵敏度都由传感器的物理尺寸、电介质常数以及覆膜厚度所决定。例如,带有5mm塑料覆膜的3mm厚传感器不如带有2mm塑料覆膜的6mm厚传感器灵敏。
我们的目标是开发具有正确响应并且满足人体工学要求的电容传感器。在某些应用中,传感器可能会很小,从而使用户接触面上产生微小的电容变化。
图1和图2显示了在印制电路板上设计电容传感器的两种常用方法。图中给出了在用户接触期间施加激励信号时传感器的响应特性。虽然根据用户接触方式的变化,传感器电容会有所不同,但是传感器的性能在这两种情况下相差不大。

图1 AD7142电容传感器的设计

图2 另一种电容传感器设计
[page]
激励电容传感器
如图1所示,连续的250kHz方波激励信号施加在传感器的SRC端,以在电容传感器内建立电场。激励信号在传感器中建立电场后,该电场会部分地延伸出塑料覆膜,CIN端连接到CDC上。
图2所示为另外一种电容传感器设计案例,其将一个恒流源加到传感器的A端,而将B端接地。当用户触摸传感器时会增加额外的手指电容,从而增加了充电周期内RC的上升时间。
测量电容传感器并且检测传感器接触面积
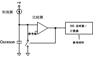
图3显示了一种测量电容的传统方法。恒流源不断地为电容传感器充电,以使其达到比较器的参考门限电平。当电容传感器达到参考门限值时,比较器将输出高电平脉冲,然后闭合开关,电容器放电并且复位计数器。灵敏度门限电平如图4所示。

图3 使用比较器和555定时器或计数器测量电容的传统方法

图4 传统比较器和555定时器或计数器的灵敏度门限电平
要确定何时用户开始接触传感器,需要计数器对电容传感器充电到比较器参考电平所经历的时钟周期数进行计数,并将这个值与预置门限检测设置值比较。例如,计数为50表明传感器有接触,而小于50则表明没有接触。在本例中,当用户接触传感器时,其准确度和精密度与参考时钟的频率和驱动各种电容传感器的电流源的重复性有关。
[page]
图5所示是一种较理想的测量电容方法,它使用了高分辨率16位ADC和250kHz的激励源。激励源不断产生250kHz的方波,从而在电容传感器 中产生电场以及能够穿透覆盖材料的磁通量。无论用户何时接触传感器,精密16位ADC都能以1fF测量分辨率来检测。其无须外部控制元件并且自动校准,所 以可确保不会发生由于温度或湿度变化引起虚假接触。

图5 AD7142模拟前端
一旦将电容传感器的输出数字化后,就可以通过设置相应的16位寄存器来设置每个传感器的具体检测门限电平。门限电平可以设置在传感器满偏(F.S.)输出值的25%~95.32%之间。AD7142灵敏度门限电平的设置如图6所示。

图6 设置AD7142的灵敏度门限电平
可靠的电容传感器接口以模拟前端开始,该前端必须能够测量用户接触电容传感器时引起的微小输出变化。现在,新的高集成度CDC使设计工程师从集成有低功耗、高分辨率Σ-Δ ADC混合信号技术中受益。





