在双激式变压器铁芯中,磁滞损耗也是由流过变压器初级线圈励磁电流产生的磁场在铁芯中产生的;但在单激式变压器铁芯中,有一部分励磁电流存储的能量要转化成反激式电压向负载输出;而在双激式变压器铁芯中,励磁电流产生的能量基本上都是用于充磁与消磁。
双激式变压器铁芯的磁滞损耗和涡流损耗在工作原理上与单激式变压器铁芯的磁滞损耗和涡流损耗是有区别的。
双激式变压器铁芯的磁滞损耗和涡流损耗在工作原理上与单激式变压器铁芯的磁滞损耗和涡流损耗是有区别的。
首先双激式变压器初级线圈输入的电压是双极性脉冲,电源在正负半周期间都向它提供能量。其次,单激式变压器铁芯是靠变压器初级线圈自身产生的反电动势在电路中产生的电流进行退磁的,而双激式变压器铁芯,除了靠变压器初级线圈自身产生的反电动势在电路中产生的电流进行退磁之外,当另一反极性电压脉冲加到变压器初级线圈上时,原励磁电流存储的能量还可以反馈给换相输入电压进行充电。
在双激式变压器铁芯中,磁滞损耗也是由流过变压器初级线圈励磁电流产生的磁场在铁芯中产生的;但在单激式变压器铁芯中,有一部分励磁电流存储的能量要转化成反激式电压向负载输出;而在双激式变压器铁芯中,励磁电流产生的能量基本上都是用于充磁与消磁。因此,双激式变压器铁芯的磁滞回线的面积比单激式变压器铁芯磁滞回线的面积大很多,磁滞损耗也大很多。
双激式变压器铁芯涡流损耗的机理与单激式变压器铁芯涡流损耗的机理基本是一样的,但双激式变压器铁芯的涡流损耗要比单激式变压器铁芯的涡流损耗大很多,因为,双激式变压器铁芯的磁通密度变化范围比单激式变压器铁芯的磁通密度变化范围大很多。
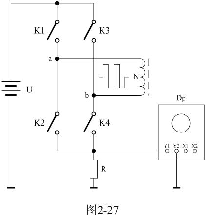
根据(2-65)式和(2-66)式以及图2-19和图2-20的分析结果,我们可以用图2-27电路来测试双激式开关变压器的磁滞损耗和涡流损耗。与图2-25的工作原理基本相同,图2-27的主要工作原理是,在变压器初级线圈两端加一序列双极性电压方波,然后测试流过变压器初级线圈的电流;

根据前面分析,磁滞损耗主要由励磁电流 产生的,但双激式开关变压器初级线圈中的励磁电流与单激式开关变压器初级线圈中的励磁电流产生的作用并不完全相同。单激式开关变压器初级线圈中的励磁电流产生磁场对变压器贴芯进行充磁和退磁外,其存储的能量只能用来作为反激式输出给负载,因为变压器初级线圈输入的电压是单极性脉冲,变压器初级线圈无法换相。
而双激式开关变压器初级线圈中的励磁电流除了用来消磁和充磁以外(即转换成磁滞损耗),其存储的能量还可以反馈给换相输入电压进行充电,因为励磁电流存储的能量产生反电动势的方向正好与换相时输入电压的方向相反,两者作用互相对消,使原来流过初级线圈中的励磁电流由最大值迅速下降到0,即:反电动势的能量被迅速转移到输入电路中,相当于能量被重复利用。
图2-27中,U是电源电压,N为变压器初级线圈,控制开关K1、K2、K3、K4组成桥式开关控制电路,K1和K4为一组,K2和K3为一组,两组开关轮流接通与断开,把电源电压正反向加于变压器初级线圈两端;R为取样电阻,通过测量R两端的电压,就可以知道流过变压器初级线圈的电流;取样电压被送到示波器Dp进行显示。
图2-28是图2-27电路中变压器初级线圈两端电压、电流以及取样电阻上的电压波形图。图2-28-a是变压器初级线圈两端的电压波形;图2-28-b是流过变压器初级线圈两端的电流波形;图2-28-c是取样电阻两端的电压波形。
[page]





这里顺便指出,利用(2-88)和(2-89)式来分别测试变压器铁心的磁滞损耗和涡流损耗是非常困难的;一个是它们的系数很难决定,另一个是两者很难分别进行测量,或从测量结果中进行分离。对比两式的参数就可以知道,它们之间最大的区别是频率对损耗的影响程度;一个是与频率成正比,另一个是与频率的平方成正比。
理论上可以通过改变输入电压频率的方法来进行测量,然后再对测试结果进行分离;但当输入电压的参数与变压器的实际工作情况相差太远时,测试结果将毫无意义。




