变压器铁芯的磁滞损耗,实际上就是流过变压器初级线圈励磁电流产生的磁场在铁芯中产生的一部分能耗;但并不是所有励磁电流的能量都转化为磁滞损耗,还有一部分励磁电流的能量要转化反电动势输出。变压器初级线圈产生的反电动势同时也会在变压器铁芯中感应产生涡流损耗电流,即当输入电压为0时刻,在变压器铁芯中还存在很短暂时间的涡流损耗;由于这种涡流损耗是由反电动势提供能量来维持的,它将随着反电动势能量的衰减很快就衰减到0
我们在前面《开关电源变压器磁滞损耗分析》章节中已经指出,变压器铁芯的磁滞损耗,实际上就是流过变压器初级线圈励磁电流产生的磁场在铁芯中产生的一部分能耗;但并不是所有励磁电流的能量都转化为磁滞损耗,还有一部分励磁电流的能量要转化反电动势输出;因此,只要求出励磁电流总的损耗,再减去反电动势输出的损耗,剩余之值就是磁滞损耗。



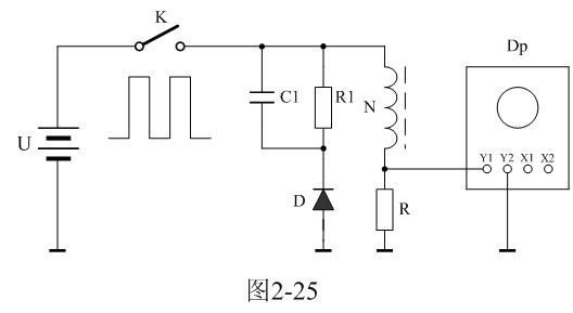
根据(2-65)式和(2-66)式以及图2-19和图2-20的分析结果,我们可以用图2-25电路来测试单激式开关变压器的磁滞损耗和涡流损耗,以及励磁电流反激输出的功耗。


[page]
图2-25中,U是电源电压,通过控制开关K不断地接通和关断,就可以把电源电压调制成单极性电压脉冲;N为变压器初级线圈,D为反激输出整流二极管;R1为反激输出负载电阻;C1为滤波电容;R为取样电阻,通过测量R两端的电压,就可以知道流过变压器初级线圈的电流;取样电压被送到示波器Dp进行显示。
图2-26是图2-25电路中变压器初级线圈两端电压以及电流波形图。图2-25中,通过改变控制开关K的占空系数,可使变压器初级线圈正好工作于电流临界连续状态或电流断续状态,即:流过变压器初级线圈中的电流在下一次控制开关K接通之前为0。
图2-26中是控制开关K的占空系数约等于0.5时,变压器初级线圈两端的电压和电流波形。当控制开关K的占空系数约为0.5时,图2-25电路基本工作于电流临界连续或电流微断续状态。

图2-25中,C1滤波电容的作用是取反电动势的平均值,以便于测量;励磁电流产生反激输出的波形如图2-26-a中虚线所示,不过此波形是半波平均值,并且其幅度受负载电阻大小的影响很大,其幅值就是滤波电容C1两端直流电压的幅值,此值一般小于输入电压幅度。

在对电流、电压、功率进行进行计算或测量的时候,最好采用半波平均值(或半周平均值)概念,以便与开关电源工作的时间对应。半周平均值概念请参看(2-19)式和(2-20)式;半波平均值概念请参看第一章的内容。这里再重复一次半波平均值的计算方法。

[page]


磁滞损耗半波平均功率Pc可根据(2-76)式或(2-77)式求得,不过在求Pc时,还须先求反激输出电压在负载电阻R1上的半波平均功率Pr1;而计算反激输出电压在负载电阻R1上的半波平均功率Pr1时,还得先求反激输出电压在负载电阻R1上的全波平均值Pra;而全波平均值Pra就是反激输出电压在负载电阻R1上损耗的功率。
计算反激输出电压在负载电阻R1上的功率Pra时,需要测量滤波电容C1两端的电压Uc;不过C1两端的电压是一个直流,相当于反激输出电压的平均值;反激输出电压的幅值也是滤波电容C1两端的直流电压幅值,不过这个幅值不是通过一次反激电压输出就能积分出来的,它需要经过很多次反激电压输出,并经过多次积分后,才能使输出电压最后稳定下来。
C1两端的电压的测量比较容易,用普通电压表就可以测量,但最好用示波器的直流档来测量;因为,普通电压表的内阻比较小,会影响测量精度。

(2-79)式中,Pra为反激输出功率的全波平均值,Uc为滤波电容两端的电压,R1为负载电阻。
算出平均值Pra后,还要把它转换成半波功率Pr1,即变压器初级线圈加电压时励磁电流为反激输出存储的功率。Pr1与Pra的关系是:

[page]
因为单激式开关电源变压器的输入电压的正负半周是不对称的,因此,把磁滞损耗分成半波磁滞损耗平均功率和全波磁滞损耗平均功率更容易理解。
从(2-81)式和(2-82)式还很难看出,单激式开关电源变压器的磁滞损耗主要与谁相关,因为等式右边的减数和被减数与输入电压、脉冲宽度都有相同变化的趋向。实际上在脉冲宽度固定的情况下,单激式开关电源变压器的磁滞损耗是很小的,此结果在《开关电源变压器磁滞损耗分析》的章节中已经分析过。
单激式开关电源变压器的磁滞损耗主要出现在脉冲宽度不断变化的时候,这个结果从(2-81)式和(2-82)式也可以看得出来。由于(2-81)和(2-82)两式中减数与被减数在变化速率上相差很多个周期;当输入脉冲宽度不断变化的时候,就不能说它们之间的变化都是同一趋向,(2-81)式和(2-82)式中减数项的U2电压大小以及相位变化都要受到输入脉冲宽度进行调制;因此,它们之间的差也是不断跟随输入脉冲宽度的大小而变化的。
下面我们再来分析单激式开关电源变压器的涡流损耗。

由于单激式开关电源变压器的输入电压的正负半周是不对称的,因此,把涡流电流产生的半波平均功率和全波平均功率更容易理解。
从(2-83)式和(2-84)式以及(2-66)式可以看出,单激式开关电源变压器的涡流损耗功率,与输入电压脉冲的宽度成正比,与输入电压的平方成正比。
顺便指出:(2-84)式的结果,是认为涡流损耗在t1-t2期间(图2-26-b)完全等于0而求得的,但实际上,在t1-t2期间变压器初级线圈产生的反电动势同样也会在变压器铁芯中感应产生涡流损耗电流,即当输入电压为0时刻,在变压器铁芯中还存在很短暂时间的涡流损耗;由于这种涡流损耗是由反电动势提供能量来维持的,它将随着反电动势能量的衰减很快就衰减到0。
既然,涡流损耗会从反电动势中摄取一部分能量,那么,反电动势输出给负载R1的能量就会要减少同样一部分;即,涡流损耗的一部分能量被划分到磁滞损耗那边去了。因此,涡流损耗与磁滞损耗总是有点纠缠不清,要把它完全分开还是比较难的。
另外,工作于反激式输出的大功率单激式开关电源变压器,其初级线圈的电感相对比较小,因此,其励磁电流比较大,要精确测试其磁滞损耗和涡流损耗也是比较困难的。因为,如果按实际工作的条件来测试,反电动势输出的功率非常大,因此,在负载R1上损耗的功率也将很大;如果用小功率进行测试,离实际工作条件相差太远,测量出来的结果就没有实际意义。
因此,(2-81)、(2-82)、(2-83)、(2-84)式最好只用于对正激式输出的单激式开关电源变压器进行磁滞损耗和涡流损耗功率测试,因为其初级线圈的电感相对比较大,励磁电流比较?。蝗绻枰苑醇な绞涑龅牡ゼな娇氐缭幢溲蛊鹘胁馐?,最好只用于对小功率开关电源进行对比测试。
比如要对一个100瓦以上的反激式开关电源进行磁滞损耗和涡流损耗测试,我们可以用一个功率只有5瓦或10瓦的小开关电源来进行对比试验,然后把试验结果或优化措施移植到大功率开关电源之中。当然开关变压器的伏秒容量以及工作电压和频率应该基本一样,试验才会有效。






