【导读】对于许多白光LED电荷泵IC来说,印刷电路板(PCB)布局很简单。但大电流电荷泵和具有许多引脚的电荷泵(如MAX1576)有更严格的要求。讨论了PCB布局和设计指南。
对于许多白光LED电荷泵IC来说,印刷电路板(PCB)布局很简单。但大电流电荷泵和具有许多引脚的电荷泵(如MAX1576)有更严格的要求。讨论了PCB布局和设计指南。
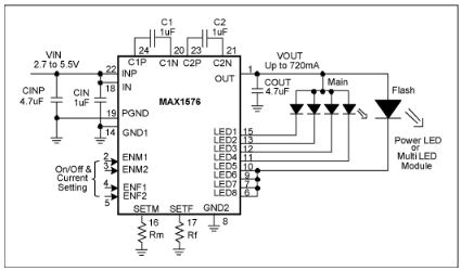
具有许多引脚或使用大电流电荷泵的白光LED驱动器在布置印刷电路板(PCB)时需要格外小心。本应用笔记以MAX1576为例,提供基准和电路板布局。


在为MAX1576白光LED电荷泵布置PCB图稿时,请遵循以下准则:
将所有 GND 和 PGND 引脚连接到 IC 正下方的裸露焊盘 (EP)。
输入、输出和跨接电容器仅使用具有 X5R 电介质或更好电介质的陶瓷电容器。低ESR对于高输出电流驱动、低输入/输出纹波和稳定运行非常重要。
为防止开关噪声扰乱IC的偏置电路,请将输入电容(CIN和CINP)尽可能靠近输入和接地引脚放置,最好在电容和IC之间不要过孔。
如果有单独的GND和PGND和/或IN和PIN引脚,则IC包括单独的电源和偏置输入。如果这些引脚不靠得很近,则应使用两个输入电容:从PIN到PGND的CINP,以及从IN到GND的CIN电容,每个电容都尽可能靠近IC。在这种情况下,PIN和PGND应连接到系统电源和接地层,而IN和GND在IC上保持本地安静。首先将PCB电源路由到CINP和INP,然后通过一些过孔路由到CIN和IN,以在IN处提供一些输入噪声滤波。PGND 和 GND 只能通过裸露的桨叶相互连接。
为确保电荷泵调节稳定性,应将输出电容COUT放置在尽可能靠近OUT引脚的位置。将COUT的接地端子连接到最近的PGND或GND引脚或裸露的焊盘(EP)。
为确保电荷泵的低输出阻抗,将跨接电容C1和C2放置在尽可能靠近IC的位置。如果无法避免过孔,最好将它们与C1和/或C2串联,而不是与CIN或CINM串联,因为跨接电容对稳压器稳定性没有影响。
将任何基准旁路电容(MAX1576上没有)或设置电阻(MAX1576上的RM和RF)的接地端子连接到GND引脚(与PGND相对)。这减少了耦合到IC模拟??橹械脑肷?。
裸露焊盘(EP)中的可选大通孔可用于检查焊点,也便于使用烙铁将IC从PCB上取下。
根据需要将逻辑输入走线和连接路由到 LED。这些线路上的过孔不会引起任何问题,因为这些输出上的电流是稳定的。然而,如果布线太靠近敏感的无线电电路,这些线路上的纹波可能会影响射频电路。
免责声明:本文为转载文章,转载此文目的在于传递更多信息,版权归原作者所有。本文所用视频、图片、文字如涉及作品版权问题,请联系小编进行处理。
推荐阅读:




