桃花源qm花论坛(品茶),凤楼阁论坛官网入口网址,一品楼品凤楼论坛最新动态,风楼阁全国信息2024登录入口

你的位置:首页 > 电源管理 > 正文

无刷直流电机、有刷直流电机:该如何选择?

发布时间:2021-09-09 来源:Pete Millett 责任编辑:wenwei

【导读】许多运动控制应用都采用永磁直流电机。因为与交流电机相比,直流电机的控制系统更容易实现。因此,在需要控制速度、扭矩或位置时,通常都采用直流电机。
 
常用的直流电机有两种:有刷电机和无刷电机(或称BLDC电机)。顾名思义,有刷直流电机带有电刷,电刷可以使电机换向并旋转;而无刷电机则用电子控制取代了机械换向功能。
 
很多应用都是既可以使用有刷直流电机,也可以使用无刷直流电机。两种类型的电机基于相同的线圈和永磁体吸引与排斥原理,二者都具有各自的优缺点,可以根据应用需求进行具体选择。

有刷直流电机 
 
无刷直流电机、有刷直流电机:该如何选择?
有刷直流电机(图片来源:maxon集团)
 
直流电机使用绕线线圈来产生磁场。在有刷电机中,线圈可以自由旋转从而驱动轴,它们被称为“转子“。通常,线圈缠绕在铁芯上,当然也有“无芯“有刷电机,其绕组是自支撑的。
 
电机的固定部分称为“定子“。用于提供固定磁场的永磁体通常位于定子的内表面和转子的外部。
 
为了产生使转子旋转的扭矩,转子的磁场需要持续旋转,以使其磁场吸引并排斥定子的固定磁场。通常采用滑动式电子开关来使磁场旋转。该开关由换向器和固定电刷组成,换向器通常是安装在转子上的分片触点,而固定电刷则安装在定子上。
 
无刷直流电机、有刷直流电机:该如何选择?
 
随着转子的转动,换向器不断地接通和断开不同的转子绕组,导致转子线圈不断被定子的固定磁体吸引和排斥,从而使转子旋转。
 
有刷电机的电刷和换向器之间存在机械摩擦,而且由于是电触点,通常无法润滑。因此电刷和换向器在电机的整个寿命周期内都存在机械磨损,并最终将导致电机无法工作。不过许多有刷电机(尤其是大型有刷电机)都有可更换的电刷,其电刷通常由碳制成,在磨损后也可保持良好的接触,这些电机都需要定期维护。但即使有可更换的电刷,换向器最终也会磨损到必须更换电机的程度。
 
要驱动有刷电机,需要在电刷两端施加直流电压,使电流流经转子绕组从而旋转电机。
 
如果一个有刷电机在应用中只需要向一个方向旋转,也无需控制速度或扭矩,则完全不需要驱动电子设备。在这类应用中,只需打开和关闭直流电压即可使电机运行或停止。这在电动玩具等低成本应用中很常见。如果需要反向旋转,则可以通过双极开关来实现。
 
如果需要控制速度、扭矩和方向,则采用由电子开关(晶体管、IGBT或MOSFET)组成的“ H桥”来驱动电机向任一方向旋转。施加到电机上的电压可以是任一极性,它使电机沿不同方向旋转。而通过调制开关脉冲的宽度可以控制电机的速度或扭矩。 
 
无刷直流电机、有刷直流电机:该如何选择?
 
无刷直流电机 
 
无刷直流电机、有刷直流电机:该如何选择?
无刷直流电机(图片来源:maxon集团)
 
无刷直流电机与有刷电机的磁吸和排斥原理相同,但结构略有不同。与有刷电机的机械换向器和电刷不同,无刷电机通过电子换向器实现定子的磁场旋转,而这需要使用主动控制电子设备。 
 
在无刷电机中,转子上附有永磁体,定子上则装有绕组。转子可以放在内侧(如上图所示),也可以放在绕组外侧(有时称为“外转式”电机)。
 
无刷电机中用到的绕组数称为相数,它可以有不同的相数,但最常见的是三相无刷电机。另外,如小型冷却风扇等可能就只有一相或两相。
 
无刷电机的三个绕组通常以“星形”或“三角形”方式连接。无论哪种连接,都有三根线连接到电机,而且其驱动技术和波形都是相同的。
 
无刷直流电机、有刷直流电机:该如何选择?
 
三相电机可以构建不同的磁配置,称为磁极。最简单的三相电机有两个磁极:转子只有一对磁极,一个N极,一个S极。当然也可以有更多的磁极,这需要在转子中配置更多的磁性部分,并在定子中增加更多绕组。磁极越多,性能越高,但极数少可以实现更高的速度。
 
无刷直流电机、有刷直流电机:该如何选择?
 
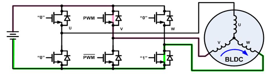
要驱动三相无刷电机,三相绕组每相需要在根据转子位置状态,运行在高电位或低电位上。为此,通常采用三个“半桥”驱动电路来实现驱动,每个驱动电路都由两个开关组成。根据所需的电压和电流,开关可以是双极型晶体管、IGBT或MOSFET。
 
无刷直流电机、有刷直流电机:该如何选择?
 
三相无刷电机可以采用的驱动技术有很多,其中最简单的被称为梯形波驱动、方波驱动或120度换向控制。梯形换向有点类似于直流有刷电机中采用的换向方法:在任何给定时间,三相中都有一相接地、一相断开、另一相连至电源电压。如果需要控制速度或扭矩,则可以脉宽调制连接到电源电压的相位。由于相位在每个换向点突然切换,而转子的旋转是恒定的,因此扭矩会随着电机的旋转产生一些变化,这称为扭矩波动。
 
为了改善性能,也可以采用其他换向方法。如正弦或180度换向法可以始终驱动所有三个电机相位的电流??刂破骺刂魄?,使得三相无刷电机每相产生正弦电流,且每相之间的相移为120度。这种驱动技术可以最大程度地减小扭矩波动以及噪音和振动,通常用于高性能或高效率的驱动器。
 
要适当地旋转磁场,控制电子设备需要知道转子上的磁体相对于定子的物理位置。通常,这个位置信息通过安装在定子上的霍尔传感器获得。当磁性转子旋转时,霍尔传感器会拾取转子的磁场。驱动电子设备利用该信息,使电流按顺序流过定子绕组以使转子旋转。
 
无刷直流电机、有刷直流电机:该如何选择?
 
采用三个霍尔传感器,通过简单的组合逻辑即可实现梯形换向,无需复杂的控制电子设备。而其他换向方法(例如正弦换向)则需要更复杂的控制电子设备,而且通常需要微控制器。
 
除了使用霍尔传感器提供位置反馈以外,还有很多方法可以在没有传感器的情况下确定转子位置。最简单的方法是在未驱动的相位上监测反电动势,以感应相对于定子的磁场?;褂幸恢指丛拥目刂扑惴?,称为磁场定向控制(FOC),它基于转子电流和其他参数来计算位置。FOC通常需要功能强大的处理器来快速执行许多计算,因此这种方法比简单的梯形控制法要昂贵很多。
 
有刷电机和无刷电机的优缺点 
 
下表总结了两种电机类型的主要优缺点。根据应用需求,您可能更愿意选择无刷电机。
 
无刷直流电机、有刷直流电机:该如何选择?
 
使用寿命
 
如前所述,有刷电机的缺点之一是电刷和换向器存在机械磨损。碳刷尤其是易耗品,在很多电机的维护计划中,都规定碳刷要定期更换。换向器的软铜也会被电刷慢慢磨损,并最终导致电机无法工作。而无刷电机没有运动触点,因此不存在这种磨损。
速度和加速度
 
有刷电机的转速会受到电刷、换向器以及转子质量的限制。在极高的速度下,电刷与换向器的接触会变得不稳定,并且电刷电弧会增大。大多数有刷电机在转子中还使用了叠片铁芯,这使它们具有较大的转动惯量,也限制了电机的加速和减速速率。在转子上采用高性能稀土磁体可以将转动惯量降至最低。当然,这会增加成本。
 
电气噪声
 
电刷和换向器形成了一种电气开关。当电机转动时,开关打开或闭合,大量电流流过电感转子绕组,并在触点处产生电弧。这些电弧会产生大量电气噪声,会耦合到敏感电路中。在电刷上增加电容或RC缓冲器可以一定程度上减轻电弧,但是换向器的瞬时切换仍然会产生一些电气噪声。
 
声学噪声
 
有刷电机是“硬切换”的,也就是说,电流是突然从一个绕组移动到另一个绕组。随着绕组的接通和断开,产生的扭矩随转子的旋转而变化,导致扭矩波动。而无刷电机可以控制绕组电流逐渐从一个绕组过渡到另一个绕组,这降低了扭矩波动。扭矩波动是能量在转子上的机械脉动,它会引起振动和机械噪声,尤其是在转子转速较低时更严重。
 
成本
 
有刷电机技术非常成熟,制造成本也很低。无刷电机因为需要更复杂的电子设备,所以总成本高于有刷电机;但因为没有电刷和换向器,因此比有刷电机更容易制造。无刷电机现在越来越普及,特别是在汽车电机等大批量应用中。另外,电子设备(如微控制器)成本持续下降也使无刷电机更具吸引力。
 
总结
 
由于成本不断下降而且性能更佳,无刷电机越来越受欢迎。但对有些应用来说,有刷电机仍然是最佳选择。
 
从无刷电机在汽车中的应用我们可以知道,截至2020年,大多数汽车行驶时运行的电机(例如泵和风扇)都已从有刷电机转为无刷电机,以提高其可靠性。现场故障率的降低和维护要求的降低,完全弥补了无刷电机及其驱动设备所增加的成本。
 
另一方面,那些不常操作的电机(例如移动电动座椅和电动窗的电机)仍然主要采用有刷电机。 因为在汽车的整个寿命周期内,这些电机的总运行时间非常短,不大可能发生故障。
 
随着无刷电机及其相关电子设备的成本不断降低,无刷电机逐渐渗透传统有刷电机占据主导的应用。汽车行业的另一个例子是,高端车型中的座椅调节电机已经换成了无刷电机,因为它们产生的噪音更小。
来源:MPS
 
 
免责声明:本文为转载文章,转载此文目的在于传递更多信息,版权归原作者所有。本文所用视频、图片、文字如涉及作品版权问题,请联系小编进行处理。
 
推荐阅读:
 
EMC开关节点布局注意事项
用于便携式设备的简化版USB Type-C 电源管理设计
CCM与DCM的区别
反激同步整流对EMI的影响
面向48V数据中心应用的高度集成、可扩展、均流热插拔解决方案
特别推荐
技术文章更多>>
技术白皮书下载更多>>
热门搜索

关闭

?

关闭