【导读】围绕如何处理小信号前端这一话题,近期引起了一波讨论热潮?!妒浪敌居铩纷ɡ傅奶匮髡咝±窃谡饫锞托⌒藕徘岸恕⑷范ú饬糠段?、抑制噪声、提高信噪比等问题进行了介绍和分析。
运算放大器结构探秘
大学模拟电子课上,老师反复强调:理想运放的增益无穷大,分析运放,首先注意虚断和虚短,我们都坚决贯彻老师的说教,然而忽略了其他一些比较重要的概念:比如共模抑制比、失调电压、偏置电流等。
一、运放输入模型
按照运放模型,比较全面的梳理出运放的基本模型:就是差模信号和共模信号的叠加。

二、虚短概念
上学时,老师一直强调,理想运放要注意虚断和虚短。运放的同相端输入和反相端输入相等,这是怎么一回事呢?

理想运放开环增益无穷大,实际略小,大部分在100dB(100000)倍左右,按这个增益,要让输出变化3V,同相反相输入端只需30uV的压差即可,如果加上纹波、噪声等干扰信号,同相反相端基本上无变化。
于是又引入反馈,做闭环,同相反相端的电压差忽略不计。如同撑杠杆,小臂微微一动,大臂不住晃动。

三、差模输入和共模输入
在应用中,运放可以输入差模信号,也可以输入共模信号,共模信号大部分来自噪声,最核心的愿景是:共模被抵消,差模被放大。

举个例子,有人在高铁车厢内做过一个实验,竖着摆放一排硬币,不管车速多快,硬币都立得很稳。这好比共模信号,外面环境怎样变化,信号不受影响。差模信号呢,就像人在车厢里来回走动,只要正常范围内,都不受到外界的干扰。

四、输入电压范围(Vin或Vcm)
运算放大器输入范围比较复杂,理论上来讲,同相端和反相端模拟输入在电源的正轨到负轨之间都能满足,运放的上下管大致对称,大部分时间,取运放的共模输入电压Vcm为1/2 Vdd。这样,运放主要工作在线性区。

五、小信号检测方法
运算放大器用来做电流小信号采集时,往往会面临一个令人疑惑的问题,信号该如何采集?是采用高边电流检测还是采用低边电流检测?部分的意见采低边,部分人的意见是采高边,大家各抒己见,莫衷一是。

舞台看戏,下层的演员多,而且间杂观众,很容易被遮挡,被观众淹没;楼上的明显好得多,容易被分辨,楼层越高,成本也更高,修楼费工时、造价不便宜!

差分放大器介绍
一个不太形象的比喻,你在崎岖的山路上,提着满满的行李,追赶一辆高速运行的火车,你需要跑到车头找到你的座位,你会觉得非常吃力,大概率你还追不上;如果你已经上车了,站在车上,你会感觉很稳定,车尾车头来回走,也会很轻松。

这跟共模干扰比较类似,由于传感器信号主要是通过施加电压差做为输出,信号的差值电压很小,而且,由于布局布线引起的EMI和共模干扰、温度漂移、等等。把传感器比喻做携带行李的旅客,把运放的同相端和反相端当做车厢,只要传感器信号给定在这中间,相对的干扰就会小很多。由于传感器的信号存在压差,避免运放异常饱和,引入差分放大器。

基于成本考虑,行业之内,大部分设计还会采用普通运放,基于减法器的模型,搭建一个差动放大器。

差分放大器的原理就像照镜子,物理学上的说法称作镜像,讲究对称和平衡,只有做到两边一模一样,效果才会最佳,否则,就会失真。

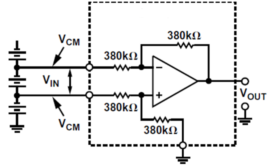
为了做到镜像效果,需要在模拟前端做阻抗匹配,由于各点参考源不同,阻抗又有误差,完全阻抗匹配非常困难,下图是一个经典的差分运放,通过输出静默电压Uoz,用KCL去求解同相输入和反相输入阻抗,结果差异很大。

有人会问,如何确定上面各电阻的值?正常来说,按照镜像原理,偏置电流一样,放大倍数相当,可以很容易求出4个电阻之间的关系,如何确定R1,会略微麻烦点,需要查运放的几个限制条件,阻值需满足:大于瞬时输出电压/最大输出电流、小于输入失调电压/输入偏置电流、还要注意热噪声影响,等等。
仪表放大器介绍
差分放大器能处理大部分模拟前端,但是,由于系统输入阻抗有限,需要加入复杂的匹配电路,然而,外围电阻精度和PCB线路阻抗,又会产生新的问题。
为了解决差分运放输入阻抗较低等问题,各大厂家又做了很多优化,有人采用如图的双运放方法来实现仪表放大。

双运放有两个弱点:不支持单位增益、不同频率的共模抑制比较差。于是众多厂商引入另一种方案,采用三运放方法,不少大厂推出的仪表放大器,都是基于三运放原理来实现的。

Microchip运放解决方案
仪表放大器 MCP6N16-100
针对工业客户应用,Microchip提出自己独特的解决方案,与众多厂商推出三运放仪表放大器方案不同,Microchip推出间接电流反馈型仪表放大器,间接电流反馈型仪表放大器内部结构如下图所示。

间接电流反馈型仪表放大器是怎么工作的呢?前级做跨导放大,实现V-I转换,后级做跨阻放大I-V转换,用下面这张图来描述,也许会更准确一些。

间接电流反馈型仪表放大器和三运放仪表放大器存在一些差别,主要优势:
● 在宽Vcm范围内具有高CMRR(轨到轨)
● 工作区域广(Vin和Vout)
● 适合低电压应用
● 无“Hex”图
● 高阻态Vref输入
● 更好的增益温度系数匹配
应用案例——惠斯通桥

零漂移放大器 MCP6V61
另外,Microchip的零漂移放大器产品,主要针对较低成本应用,主要特点:
高直流精度
- VOS 漂移: ±15 nV/°C
- AOL: 125 dB
- PSRR: 117 dB
- CMRR: 120 dB
- (EMIRR) at 1.8 GHz: 101 dB
- 低功耗
- 静态电流80uA
应用案例——RTD传感器

Wolfe表示,Microchip还推出了多款有特色的运放产品,比如低噪声、高精度、全差分系列的MCP6D11、高边电流检测系列MCP6C04等。结合Excelpoint世健的技术支持等服务,可以帮助客户提供一站式选型平台,减少工作难度,尽快让产品上市。


来源:世健
免责声明:本文为转载文章,转载此文目的在于传递更多信息,版权归原作者所有。本文所用视频、图片、文字如涉及作品版权问题,请联系小编进行处理。
推荐阅读:




