桃花源qm花论坛(品茶),凤楼阁论坛官网入口网址,一品楼品凤楼论坛最新动态,风楼阁全国信息2024登录入口

你的位置:首页 > 电源管理 > 正文

什么是双脉冲测试?

发布时间:2020-12-22 责任编辑:wenwei

【导读】我们开设了Si功率元器件的新篇章——“评估篇”。在“通过双脉冲测试评估MOSFET的反向恢复特性”中,我们将通过双脉冲测试来评估MOSFET体二极管的反向恢复特性,并确认MOSFET损耗情况。
 
MOSFET体二极管的反向恢复特性与桥式电路损耗的关系
 
在逆变器电路和Totem Pole型功率因数改善(PFC)电路等具有2个以上MOSFET的桥式电路中,由于流过上下桥臂的电流会使导通损耗增加。该现象受开关MOSFET和对应桥臂MOSFET的体二极管(寄生二极管)的反向恢复特性影响很大。因此,在桥式电路中,体二极管反向恢复特性优异的MOSFET优势明显。
 
什么是双脉冲测试?
 
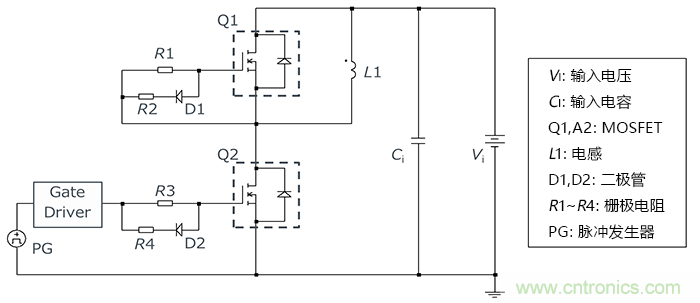
双脉冲测试是广泛应用于MOSFET和IGBT等功率开关元件特性评估的一种测试方法。该测试不仅可以评估对象元件的开关特性,还可以评估体二极管和IGBT一同使用的快速恢复二极管(FRD)等的反向恢复特性。因此,对导通时发生反向恢复特性引起损耗的电路的评估非常有效。双脉冲测试的基本电路图如下所示。
 
什么是双脉冲测试?
 
另外,当该电路的Q1是续流用MOSFET、Q2是驱动用MOSFET时,双脉冲测试的基本工作如下表所示?;竟ぷ髦饕梢苑治?、②、③这三种。当定义脉冲发生器的电压为VPulse、流过电感的电流为IL、Q2的漏源电压为VDS_L、Q2的漏极电流为ID_L时,各模式的工作、电流路径和波形如表所示。
 
什么是双脉冲测试?
 
在工作③中,在Q2导通时可以观测到短路电流(ID_L红色部分)。这是由Q1体二极管的反向恢复特性引发的。
 
当体二极管从ON转换为OFF时,必须将ON时所蓄积的电荷进行放电。此时,设从体二极管释放出的电荷量为Qrr,释放电荷所产生的电流峰值为Irr,Q2的功率损耗为Pd_L,则Q2的导通动作可以如右图所示。ID_L的三角形面积为Qrr、三角形的高为Irr。
 
什么是双脉冲测试?
 
一般情况下,当续流侧元件Q1的体二极管反向恢复特性较差、Qrr也较大时,驱动侧元件Q2的导通损耗会增加。因此,在像逆变器电路这样的流过再生电流的应用和Totem Pole型PFC电路中,需要考虑到体二极管的反向恢复特性对损耗有较大的影响。
 
关键要点:
 
?在具有2个以上MOSFET的桥式电路中,当MOSFET的体二极管反向恢复特性较差时,导通损耗会增加。
?双脉冲测试是广泛应用于MOSFET和IGBT等功率开关元件特性评估的一种测试方法。
?双脉冲测试不仅可以评估对象元件的开关特性,也可以评估体二极管和外置快速恢复二极管等的反向恢复特性。
?双脉冲测试对导通时发生反向恢复特性引起损耗的电路的评估非常有效。
 
 
免责声明:本文为转载文章,转载此文目的在于传递更多信息,版权归原作者所有。本文所用视频、图片、文字如涉及作品版权问题,请联系小编进行处理。
 
推荐阅读:
 
益登科技成立光学实验室全面提升客户服务品质
交错式反相电荷泵——第一部分:用于低噪声负电压电源的新拓扑结构
RF IC放大器在Keysight Genesys和SystemVue中非线性仿真
贸泽电子斩获第十二届金网奖案例类铜奖
5G对科技版图的影响
要采购开关么,点这里了解一下价格!
特别推荐
技术文章更多>>
技术白皮书下载更多>>
热门搜索
?

关闭

?

关闭