【导读】为保证工业总线通讯的稳定性,工程师通常都在设计时考虑防雷、防浪涌和防过电压等电路方案,今天就为大家介绍一些有效的总线防浪涌?;そ饩龇桨?。
浪涌对电路的影响
浪涌包括浪涌电流、浪涌电压,它是指电路中瞬间出现超过正常工作电压、电流的现象。在工业通讯现场,雷电过电压、落雷引发出的诱导雷浪涌,还有电源系统(特别是带很重的感性负载)开关切换引起的浪涌,这些浪涌产生的瞬态过压和过流,会导致数据总线通讯网络瘫痪甚至使元器件发出错误的信号,会给用户带来很大的损失。
表1 几种瞬态骚扰的比较

先了解几种典型的瞬态骚扰:从表中可知,浪涌的能量最高,过电流最大,因此危害性也是最大。
浪涌的形成有两个类型:一个是共模,一个差模。雷电或大电流切换时产生的浪涌一般是共模的;差模形式的浪涌往往是由于数据电缆附近有高压线经过,数据线缆和高压线之间因绝缘不良而产生的,会在数据通信网络中较长时间内稳定存在。光耦或磁耦器件标称的耐压是共模,也就是前端到后端之间的耐压。如果超过这个耐压,前端后端都一起烧坏;元器件不会标称差模的耐压,差模耐压能力由电路的设计决定,差模电压超过电路承受范围,前端烧坏,后端不会烧坏。
目前总线浪涌防护方案有两种:采用分立元器件搭建或采用集成??椤?/div>
常规浪涌防护方案——分立方案
许多应用要求满足IEC61000-4-2静电放电4级,IEC61000-4-5浪涌抗扰4级要求。一般的收发器ESD、浪涌的防护等级均比较低,如CTM1051M隔离CAN收么器的隔离耐压为2500VDC,裸机情况下,ESD、浪涌等级均较低,所以有必要增加外围电路。
防浪涌电路通常分为:隔离法和规避法。
● 隔离法:采用光耦合器或磁耦合器,将输入和输出信号隔离分开,这类隔离法只能抑制共模形式的浪涌,不能抑制差模形式的浪涌。
● 规避法:主设备的地连在一起形成单点接地,一旦有浪涌出现就可安全转移浪涌能量,此外有必要增加一些抑制浪涌的器件,主要有Tvs管、压敏电阻、气体放电管。
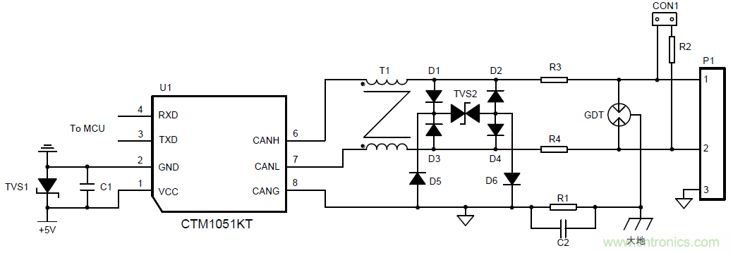
如果将隔离法和规避法相结合,就可以更好地?;は低?。规避器件一方面可抑制浪涌保护隔离器件,也可以抑制总线上产生的差模形式浪涌。隔离器件抑制共模形式浪涌,保护主设备。两者相辅相成,能够更好地?;ぷ芟呱璞?。以CAN总线为例,下图是分立元器件形成的外围?;さ缏?。

图1 CAN总线推荐保护电路
其中GDT置于最前端,提供一级防护,当雷击、浪涌产生时,GDT瞬间达到低阻状态,为瞬时大电流提供泄放通道,将CAN_H、CAN_L间电压钳制在二十几伏范围内。实际取值可根据防护等级及器件成本综合考虑进行调整,R3与R4建议选用PTC,D1~D6建议选用快恢复二极管。参数表如下。
表2 参数推荐表

高效浪涌防护方案——模块方案
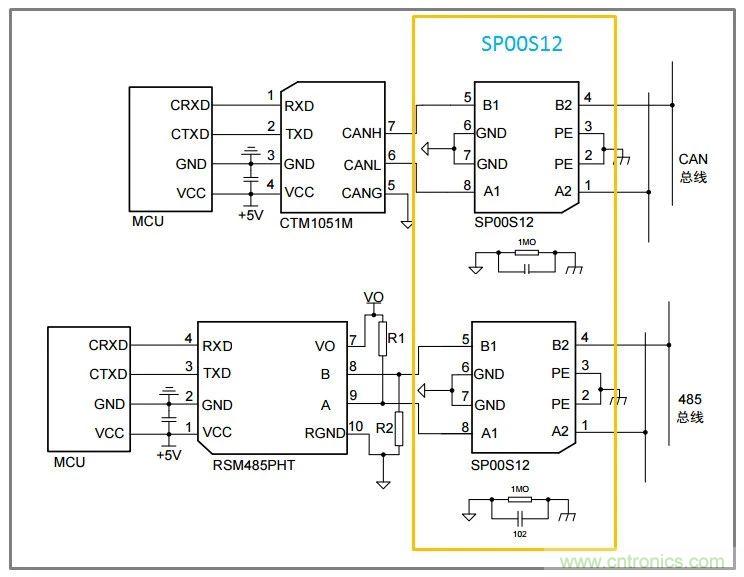
分立元器件方案虽然能够提供有效的防护,但是需要引入较多的电子器件,这也就意味着接口电路将占用更多的PCB空间,若器件参数选择不合适易造成EMC问题。有没有更简洁的防护设计呢?答案是肯定的??裳≡褚胱ㄒ档男藕爬擞恳种破鱏P00S12,可用于各种信号传输系统,抑制雷击、浪涌、过压等有害信号,对设备信号端口进行保护。搭配ZLG的全隔离CTM或SC系列的隔离CAN收发器,如下图。可极大程度的提升产品的集成度,于此同时极大程度的缩小开发周期。

图2 ??榉桨?/div>
方案对比和浪涌抗扰度测试
前面讲到总线浪涌防护方案有两种,接下来总结一下:
● 分立元器件方案:电子器件多、搭建麻烦、复杂、占用PCB空间、易造成EMC问题;
● ??榉桨福菏褂梅奖?、节省PCB空间、简化电路。
接下来做一下浪涌抗扰度测试,检验一下浪涌抑制器是否满足IEC61000-4-5±4KV防护要求,以共模浪涌测试为例,在SP00S12输入端加载4KV、1.2/50μs浪涌电压,在输出端测试压降已被降低至17.1V,波形图如下。

图3 输入端电压波形4KV

图4 输出端波形电压17.1V
由此可见,在收发器与CAN总线间添加SP00S12,可使CAN信号端口轻松满足 IEC61000-4-5 ±4KV的浪涌等级要求。
采用一体化的高浪涌防护隔离CAN收发器可以完全代替隔离CAN收发器与浪涌抑制器的组合,如下图。此方案将最大限度简化电路设计、节省PCB空间、降低产品成本。它能够防护4KV浪涌、15KV静电的同时还具备极佳的EMC特性。

图5 一体化隔离方案
推荐阅读:
特别推荐
- ROHM新型接近传感器面世:VCSEL技术赋能工业自动化精准感知
- 为智能电动汽车赋能!纳芯微NSR2260x-Q1系列攻克复杂电源挑战
- 射频性能再升级,大联大品佳推出基于达发AB1585AM的头戴式蓝牙耳机方案
- 从零售到医疗:安勤四尺寸触控电脑满足多元自助服务场景
- 覆盖全球导航系统:Abracon新品天线兼容GPS/北斗/Galileo/GLONASS四大星座
技术文章更多>>
- 意法半导体CEO将重磅亮相摩根士丹利TMT大会,释放战略信号
- 采购无忧:贸泽电子备货瑞萨新品,覆盖全系列嵌入式应用
- 创新强基,智造赋能:超600家企业齐聚!第106届中国电子展打造行业盛宴
- 安森美获Aura半导体授权,强化AI数据中心电源生态
- 东芝携150年创新积淀八赴进博,以科技赋能可持续未来
技术白皮书下载更多>>
- 车规与基于V2X的车辆协同主动避撞技术展望
- 数字隔离助力新能源汽车安全隔离的新挑战
- 车用连接器的安全创新应用
- Melexis Actuators Business Unit
- Position / Current Sensors - Triaxis Hall
热门搜索
瑞萨
赛普拉斯
三端稳压管
三极管
色环电感
上海丰宝
摄像头
生产测试
声表谐振器
声传感器
湿度传感器
石英机械表
石英石危害
时间继电器
时钟IC
世强电讯
示波器
视频IC
视频监控
收发器
手机开发
受话器
数字家庭
数字家庭
数字锁相环
双向可控硅
水泥电阻
丝印设备
伺服电机
速度传感器



