【导读】带同步整流功能的隔离式DC-DC转换器的传统设计方法是使用光耦合器或脉冲变压器进行隔离,并将其与一个栅极驱动器IC结合在一起。本文将说明光耦合器和脉冲变压器的局限性,并提出一种集成度更高的方法,其性能更高,解决方案尺寸和成本则低得多。
脉冲变压器
使用脉冲变压器可以耦合低电平信号、提供隔离并驱动功率开关,这种方法虽然具有一定优势,但也存在一些局限性。在栅极驱动应用中,脉冲变压器的一个优势是可以将3 V或5 V逻辑电平提升到15 V或更高的电压,以便驱动MOSFET的栅极。遗憾的是,为了驱动高电流同步整流器电路,可能需要一个单独的高电流栅极驱动器IC?;褂幸坏阈枰悸牵郝龀灞溲蛊鞑荒芎芎玫卮碚伎毡瘸?0%的信号,这是它在栅极驱动器应用中的一个主要缺点。原因在于变压器只能提供交流信号,因为铁芯磁通量必须每半个周期复位一次以维持伏秒平衡。
脉冲变压器的另一个缺点是效率损失。使用脉冲变压器驱动MOSFET的栅极时,变压器必须先用正电平驱动,然后用负电平驱动,以便维持伏秒平衡。用于驱动到负电平的能量不用于驱动MOSFET的栅极,仅正电平对栅极充电。在变压器由正直流电压驱动的典型应用中,一个隔直电容连接到变压器输入端,并且变压器由一个值为所施加电压½的正电压驱动。这意味着,负电压也是所施加电压的½,因此脉冲变压器的效率降低至50%。若将一个栅极驱动器添加到变压器输出端,则变压器和栅极驱动器的整体效率不再是50%,但脉冲变压器本身仍然存在至少50%的效率损失。
综上所述,脉冲变压器在栅极驱动器应用中具有如下缺点:占空比限制、效率低下、解决方案尺寸较大,因而不适合高功率、高密度同步整流应用。

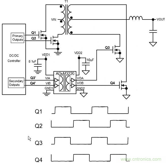
图1. 脉冲变压器、光耦合器和ADuM3220栅极驱动器解决方案
光耦合器
与脉冲变压器相比,使用光耦合器作为栅极驱动器来执行同步整流具有一些优势,但光耦合器本身也存在一些挑战。光耦合器不需要像脉冲变压器那样维持伏秒平衡,因而不存在脉冲变压器所具有的占空比限制。但是,光耦合器的响应速度受到原边发光二极管(LED)电容(典型值为60 pF)的限制,而且将二极管驱动至高达1 MHz的速度也会受到其传播延迟(最大值为100 ns)以及较慢的上升和下降时间(最大值为30 ns)的限制。
光耦合器用于同步整流器应用的一个主要问题是通道间的时序偏差。光耦合器是作为分立器件采用塑料封装构建的,通道间的差异无法像在集成半导体工艺中那样进行控制,因而通道间匹配可能很大(最大值为40 ns)。在同步整流电路中,通道间的时序需要精确控制,以便减少一个通道关闭与另一个通道开启之间的死区时间,否则开关损耗会提高,效率会受到影响。
由于电流传输比(CTR)的特性,使用光耦合器进行设计可能很困难;CTR定义输出晶体管的电流量与驱动LED所需的电流量之比。影响CTR的因素包括温度和老化,因此设计工程师需要估计CTR在光耦合器寿命和温度范围内的变化。为使CTR不随工作条件而变化,驱动LED所需的电流可能超过10 mA,这对于高效率设计而言功耗太大。
此外,对于高功率同步整流器电源,需要电阻来偏置LED和光电晶体管,需要栅极驱动器IC来提供光耦合器无法提供的高峰值电流。对于先进的紧凑型电源,光耦合器解决方案的尺寸显得过大。
ADUM3220 4 A栅极驱动器
ADuM3220旨在用作隔离系统中的4A栅极驱动器,以实现同步DC-DC转换。传统解决方案使用2个隔离器和1个双通道栅极驱动器。如图1所示,一个双通道栅极驱动器IC可以与两个脉冲变压器或两个光耦合器通道相配合,由此构成的解决方案尺寸相当大。如果电源应用要求在较小的面积上提供大量功率,则图1所示的ADuM3220就是一种不错的解决方案,不仅面积缩小50%以上,而且集成度更高,成本更低。
同步整流采用N沟道MOSFET,而不是二极管,目的是降低传导损耗,并提高需提供数安培电流的电源效率。实施同步DC-DC转换器架构要求副MOSFET开关与主MOSFET开关保持开关同步。图2显示ADuM3220用于一个提供未调节输出电压的隔离式同步DC-DC转换器的应用电路。
DC-DC控制器向主开关和副开关发送PWM驱动信号。主开关Q1和Q2在推挽动作中以先开后合时序接通,驱动变压器T1的2个原线圈,如图2的时序波形所示。T1的副线圈需要与主线圈同步开关,即Q1接通时Q3接通,Q2接通时Q4接通。请注意,如果显示Q3和Q4 PWM波形的话,其时序应提前一个等于ADuM3220已知传播延迟的时间量,使得Q3和Q4在应该出现的时间出现。ADuM3220的典型传播延迟仅为45 ns,其中包括数字隔离器延迟和栅极驱动器延迟。栅极驱动器与隔离器集成后,传播延迟规格更精确,这是相对于分立脉冲变压器和光耦合器解决方案的一个优势。
在高频下执行PWM开关时,PWM控制信号需要非常严格的控制。例如,当PWM频率为ADuM3220的最大开关频率1 MHz且占空比为50%时,脉冲宽度为500 ns。如此小的脉冲宽度要求ADuM3220的通道间匹配非常出色,否则难以实现精确开关。ADuM3220的典型通道间匹配为1 ns,整个温度范围内的最大值为5 ns。通道间的精密匹配特性有助于防止交叉导通,以免损坏MOSFET,并使死区时间最短,从而降低开关损耗,提高效率。
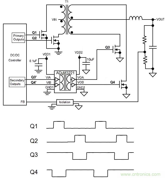
接下来我们考虑利用隔离反馈严格控制输出电压的应用,占空比不再是固定值50%,而是不断变化以控制输出电压。这种应用中,在主开关均断开期间,可能希望允许Q3和Q4开关同时接通,以防止Q3和Q4的主体二极管导通,导致效率下降。图3所示应用电路使用4 A栅极驱动器ADuM3221,它与ADuM3220非常相似,但不具有非重叠控制逻辑,因而允许Q3和Q4同时接通。与ADuM3220不同,图3所示提供调节输出的ADuM3221栅极驱动器的时序图允许开关Q3和Q4在Q1和Q2均断开时接通。
总而言之,对于隔离式同步DC-DC应用,已经证明:与脉冲变压器和光耦合器解决方案相比,ADuM3220/ADuM3221能使解决方案尺寸缩小50%以上,通过集成降低设计复杂度,并且时序性能大为改善。

图2. ADuM3220应用原理图和时序波形

图3. 提供稳压输出的ADuM3221应用原理图和时序波形
本文提到的产品。

推荐阅读:





