桃花源qm花论坛(品茶),凤楼阁论坛官网入口网址,一品楼品凤楼论坛最新动态,风楼阁全国信息2024登录入口

典型功率MOSFET驱动?;さ缏飞杓品桨?/h2>

发布时间:2016-07-15 责任编辑:wenwei

【导读】功率场效应晶体管由于承受短时过载的能力较弱,使其应用受到一定的限制。本文分析了MOSFET器件驱动与保护电路的设计要求,计算了MOSFET驱动器的功耗及MOSFET驱动器与MOSFET的匹配之后,在此基础上设计了基于IR2130驱动模块的MOSFET驱动?;さ缏?。该电路具有结构简单,实用性强,响应速度快等特点。在驱动无刷直流电机的应用中证明,该电路驱动能力及?;すδ苄Ч己?。
 
功率场效应晶体管(Power MOSFET)是一种多数载流子导电的单极型电压控制器件,具有开关速度快、高频性能好、输入阻抗高、噪声小、驱动功率小、动态范围大、无二次击穿现象和安全工作区域(SOA)宽等优点,因此,在高性能的开关电源、斩波电源及电机控制的各种交流变频电源中获得越来越多的应用。但相比于绝缘栅双极型晶体管IGBT或大功率双极型晶体管GTR等,MOSFET管具有较弱的承受短时过载能力,因而其实际使用受到一定的限制。如何设计出可靠和合理的驱动与?;さ缏罚杂诔浞址⒒覯OSFET功率管的优点,起着至关重要的作用,也是有效利用MOSFET管的前提和关键。文中用IR2130驱动模块为核心,设计了功率MOSFET驱动保护电路应用与无刷直流电机控制系统中,同时也阐述了本电路各个部分的设计要求。该设计使系统功率驱动部分的可靠性大大的提高。
 
1 功率MOSFET保护电路设计
 
功率场效应管自身拥有众多优点,但是MOSFET管具有较脆弱的承受短时过载能力,特别是在高频的应用场合,所以在应用功率MOSFET对必须为其设计合理的保护电路来提高器件的可靠性。功率MOSFET?;さ缏分饕幸韵录父龇矫妫?/div>
 
1)防止栅极 di/dt过高:由于采用驱动芯片,其输出阻抗较低,直接驱动功率管会引起驱动的功率管快速的开通和关断,有可能造成功率管漏源极间的电压震荡,或者有可能造成功率管遭受过高的di/dt而引起误导通。为避免上述现象的发生,通常在MOS驱动器的输出与MOS管的栅极之间串联一个电阻,电阻的大小一般选取几十欧姆。
 
2)防止栅源极间过电压 由于栅极与源极的阻抗很高,漏极与源极间的电压突变会通过极间电容耦合到栅极而产生相当高的栅源尖峰电压,此电压会使很薄的栅源氧化层击穿,同时栅极很容易积累电荷也会使栅源氧化层击穿,所以要在MOS管栅极并联稳压管以限制栅极电压在稳压管稳压值以下,?;OS管不被击穿,MOS管栅极并联电阻是为了释放栅极电荷,不让电荷积累。
 
3)防护漏源极之间过电压 虽然漏源击穿电压VDS一般都很大,但如果漏源极不加?;さ缏?,同样有可能因为器件开关瞬间电流的突变而产生漏极尖峰电压,进而损坏MOS管,功率管开关速度越快,产生的过电压也就越高。为了防止器件损坏,通常采用齐纳二极管钳位和RC缓冲电路等?;ご胧?。
 
当电流过大或者发生短路时,功率MOSFET漏极与源极之间的电流会迅速增加并超过额定值,必须在过流极限值所规定的时间内关断功率MOSFET,否则器件将被烧坏,因此在主回路增加电流采样?;さ缏罚钡缌鞯酱镆欢ㄖ?,通过?;さ缏饭乇涨缏防幢;OSFET管。图1是MOSFET管的保护电路,由此可以清楚的看出?;さ缏返墓δ?。
 
典型功率MOSFET驱动?;さ缏飞杓品桨? src=
图1 功率管的保护电路
 
2 功率MOSFET驱动电路的设计
 
功率场效应晶体管的栅极对驱动电路的要求主要有以下几个方面:
 
1)产生的栅极驱动脉冲必须具有足够的上升和下降速度,脉冲的前后沿要陡峭:
 
2)开通时以低电阻对栅极电容充电,关断时为栅极电荷提供低电阻放电回路,以提高功率MOSFET的开关速度;
 
3)为了使功率MOSFET可靠导通,栅极驱动脉冲应有足够的幅度和宽度;
 
4)功率MOSFET开关时所需的驱动电流为栅极电容的充放电电流,为了使开关波形有足够的上升下降陡度,驱动电流要大。
 
MOSFET驱动器在驱动MOSFET功率管的功耗主要包括3个方面:
 
1)MOSFET栅极电容的充电放电产生的功耗为:
 
Pc=CG×F×V2DD (1)
 
其中:CG为MOSFET栅极电容;VDD为MOSFET驱动器电源电压;F为开关频率。
 
2)MOSFET驱动器吸收静态电流产生的功耗为:
 
PQ=(IQH×D+IQL(1-D))×VDD (2)
 
其中:IQH为驱动器输入为高电平状态的静态电流;D为开关波形的占空比;IQL为驱动器输入为低电平状态的静态电流。
 
3)MOSFET驱动器交越导通电流产生的功耗为:
 
PS=CC×F×VDD (3)
 
其中:CC为交越常数。
 
从上述公式可以推导出,在3部分功耗中其中栅极电容充放电功耗在MOSFET驱动器功耗中占的比例最高,特别是在很低的开关频率时。同时根据公式减小栅极驱动电压可以显著减少驱动器的功耗。
 
在应用中使MOS管驱动器与MOS管匹配主要是根据功率MOS管导通和截止的速度快慢即栅极电压的上升和下降时间,也即是MOS管栅极电容的充放电速度。MOS管栅极电容导通与截止的时间与MOS管驱动器的驱动电流的关系可以表示为:
 
T=(VxC)/I (4)
 
其中:T表示导通与截止时间,V表示MOS管栅极源极两端的电压,C表示栅极电容,I表示驱动器峰值驱动电流。
 
根据栅极电压与栅极电容的乘积为栅极电荷Q则上式可转化为T=Q/I.本设计中功率MOSFET采用IR公司的IRF3710S功率MOSFET芯片,从其datasheet可以得到MOSFET的栅极电荷为26 nC,导通/截止时间为106 ns,可以得到峰值驱动电流为,驱动电压为12 V,本设计驱动芯片采用IR公司的IR2130驱动???,该芯片可用来驱动工作在母电压不高于600 V的电路中的功率MOS门器件,其可输出的最大正向峰值驱动电流为250mA,输出驱动电压为10~20V而反向峰值驱动电流为500 mA.它内部设计有过流、过压及欠压?;?、封锁和指示网络,使用户可方便的用来保护被驱动的MOS门功率管,加之内部自举技术的巧妙运用使其可用于高压系统,它还可对同一桥臂上下2个功率器件的门极驱动信号产生2μs互锁延时时间。它自身工作和电源电压的范围较宽(3~20 V),在它的内部还设计有与被驱动的功率器件所通过的电流成线性关系的电流放大器,电路设计还保证了内部的3个通道的高压侧驱动器和低压侧驱动器可单独使用,亦可只用其内部的3个低压侧驱动器,并且输入信号与TTL及COMS电平兼容。IR2130管脚如图2所示。
 
典型功率MOSFET驱动保护电路设计方案
图2 IR2130管脚
 
图2中HIN1~HIN3、LIN1~LIN3:逆变器上桥臂和下桥臂功率管的驱动信号输入端,低电平有效。CA-、CAO、VSO:内部放大器的反相端、输出端和同相端,可对主电路的电流进行检测。ITRIP:过流信号检测输入端,可通过输入电流信号来完成过流或直通?;?。FAULT:过流、直通短路、过压、欠压?;な涑龆?,该端提供一个故障?;さ闹甘拘藕拧K谛酒诓渴锹┘肥涑龆?,低电平有效。VB1~VB3:是悬浮电源连接端,通过自举电容和快速恢复二极管为3个上桥臂功率管的驱动器提供内部悬浮电源,其中快速恢复二极管的作用是防止母线电压倒流损坏器件,VS1~VS3是其对应的悬浮电源地端。HO1~HO3、LO1~LO3:逆变器上下桥臂功率开关器件驱动器信号输出端。
 
在实际应用中,IR2130的设计也有一些不合理之处,在使用中应特别注意。
 
1)IR2130的故障输出只有一个通道,在实际应用中很难判断是过流还是欠压故障,特别是在上电过程中,控制电源必然从0上升至某值,在此过程中,IR2130的故障输出端因内部欠压而动作,将此信号作为过电流信号去触发前级?;さ缏肥?,如果前级?;さ缏肪哂凶运δ?,可能使电路无法起动。
 
2)由于IR2130的电流检测输入端直接与主电路连接,很容易引入干扰而使系统?;虺鱿忠斐#虼?,电流检测电阻应采用无感电阻。
 
3)由于IR2130采用了不隔离的驱动方式,若主电路功率器件损坏,高压将直接串入IR2130,引起IR2130永久性损坏,严重时还会将IR2130前级电路击穿。
 
4)当IR2130的输入信号来自微处理器时必须采取隔离措施,由于IR2130具有高侧驱动功能,因此可使用普通光耦,以降低成本。
 
3 应用实例
 
永磁无刷直流电机是随着高性能永磁材料、电机控制技术和电力电子技术发展而出现的一种新型电机,它既具有交流电机结构简单、运行可靠、维护方便、寿命长等优点,又具备直流电机运行效率高、无励磁损耗及调速性能好等诸多优点,且还具有功率密度高,低转速,大转矩的特点。它的应用已从最初的军事工业,向航空航天、医疗、信息、家电以及工业自动化等领域迅速发展。
 
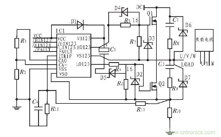
图3是由IR2130组成的无刷直流电机驱动原理图为便于表示只画出其中一个桥臂的电路示意图,通过IR2130输入信号控制MOSFET的开关,由此驱动无刷直流动机。C1是自举电容,为上桥臂功率管驱动的悬浮电源存储能量,D1的作用是防止上桥臂导通时母线电压倒流到IR2130的电源上而使器件损坏,因此D1应有足够的反向耐压,当然D1与C1串联也是为了满足主电路功率开关频率的要求,D1应选快速恢复二极管。 R1、R2、R10、R11、R12、C4组成过流检测电路。R5、R6为栅极驱动电阻,D4、D5为功率管提供了一个低阻抗的放电回路,使功率管能够快速的泄放电荷。
 
典型功率MOSFET驱动保护电路设计方案
图3 无刷直流电机驱动原理图
 
功率场效应管的栅极与源极之间并联了一个电阻和一个齐纳二极管,电阻的作用是降低栅极与源极间的阻抗,齐纳二极管的作用是防止栅极与源极间尖端电压击穿功率管。同时在功率场效应管的漏极与源极之间并联了一个RC电路和齐纳二极管,由于器件开关瞬间电流的突变而产生漏极尖峰电压,所以必须加上RC缓冲电路和齐纳二极管对其进行?;?。
 
在实际应用中栅极的驱动波形如图4所示,此波形是在电机3000RPM时的驱动波形,可以看出此波形完全能够满足要求,同时进行了短路、电机堵转等试验,图3电路也能过很好地?;すβ蔒OSFET管。
 
典型功率MOSFET驱动?;さ缏飞杓品桨? src=
图4 栅极驱动波形
 
4 结束语
 
功率MOSFET驱动?;さ缏返纳杓瓶芍苯泳龆ㄏ低扯灾葱谢沟那分?。文中针对具体的微电机驱动?;は低?,有针对性地功率驱动保护电路进行计算分析与设计。实验证明该电路设计简单可靠,驱动与?;ばЧ己茫耆梢月憧刂葡低扯灾葱谢沟那?。


【推荐阅读】






 



 

关闭

?

关闭